截止阀

不锈钢截止阀
产品简介
News Center
新闻中心不锈钢截止阀的启闭件是圆柱形的阀瓣,密封面呈平面或锥面,阀瓣沿流体的中心线作直线运动。国标截止阀只适用于全开和全关,一般不用来调节流量,定做时允许作调节和节流。
1、结构简单,制造和维修比较方便
2、工作行程小,启闭时间短
3、密封性好,密封面间磨擦力小,寿命较长
设计规范:GB/T 12235
结构长度:GB/T 12221
法兰连接:JB/T 79
试验与检验:JB/T 9002
产品标识:GB/T 12220
供货规范:JB/T 7928
型号 | J41H-16C~160C | J41Y-16C~160C | J41W-16P~160P | |
工作压力(MPa) | 1.6~16.0 | |||
适用温度(℃) | ≤425 | ≤150 | ||
适用介质 | 水、蒸汽、油品 | 弱腐蚀性介质 | ||
材料 | 阀体、阀盖 | 碳素钢 | 铬镍钛不锈钢 | |
阀杆 | 铬不锈钢 | 铬镍钛不锈钢 | ||
密封面 | 堆焊铁基合金 | 堆焊硬基合金 | 本体材料 | |
填料 | 石棉石墨、柔性石墨、聚四氟乙烯 | |||
| 公称压力 | 1.6 | 2.5 | 4.0 | 6.4 | 10.0 | 16.0 |
| 强度试验 | 2.4 | 3.8 | 6.0 | 9.6 | 15.0 | 24.0 |
| 水密封试验 | 1.8 | 2.8 | 4.4 | 7.4 | 11.0 | 18.0 |
| 上密封试验 | 1.8 | 2.8 | 4.4 | 7.04 | 11.0 | 18.0 |
| 气密封试验 | 0.4-0.7 | |||||

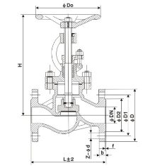
| 1.6mpa | dn | l | d | d1 | d2 | b | n-φd | h | d0 |
| 凸面法兰 rf j41h j41y j41w j41f j41n 16c 16p 16r 16i | 10 | 130 | 90 | 60 | 40 | 14 | 4-φ14 | 198 | 120 |
| 15 | 130 | 95 | 65 | 45 | 14 | 4-φ14 | 218 | 120 | |
| 20 | 150 | 105 | 75 | 55 | 14 | 4-φ14 | 258 | 140 | |
| 25 | 160 | 115 | 85 | 65 | 14 | 4-φ14 | 275 | 140 | |
| 32 | 180 | 135 | 100 | 78 | 16 | 4-φ18 | 280 | 160 | |
| 40 | 200 | 145 | 110 | 85 | 16 | 4-φ18 | 330 | 180 | |
| 50 | 230 | 160 | 125 | 100 | 16 | 4-φ18 | 350 | 200 | |
| 65 | 290 | 180 | 145 | 120 | 18 | 4-φ18 | 370 | 280 | |
| 80 | 310 | 195 | 160 | 135 | 20 | 8-φ18 | 400 | 280 | |
| 100 | 350 | 215 | 180 | 155 | 20 | 8-φ18 | 415 | 320 | |
| 125 | 400 | 245 | 210 | 185 | 22 | 8-φ18 | 460 | 360 | |
| 150 | 480 | 280 | 240 | 210 | 24 | 8-φ23 | 510 | 450 | |
| 200 | 600 | 335 | 295 | 265 | 26 | 12-φ23 | 710 | 500 | |
| 250 | 650 | 405 | 335 | 320 | 30 | 12-φ25 | 786 | 550 | |
| 300 | 750 | 460 | 410 | 375 | 30 | 12-φ25 | 925 | 600 |
| 2.5mpa | dn | l | d | d1 | d2 | b | n-φd | h | d0 |
| 10 | 130 | 90 | 60 | 40 | 16 | 4-φ14 | 198 | 120 | |
| 15 | 130 | 95 | 65 | 45 | 16 | 4-φ14 | 218 | 120 | |
| 20 | 150 | 105 | 75 | 55 | 16 | 4-φ14 | 258 | 140 | |
| 25 | 160 | 115 | 85 | 65 | 16 | 4-φ14 | 275 | 140 | |
| 32 | 180 | 135 | 100 | 78 | 18 | 4-φ18 | 280 | 160 | |
| 40 | 200 | 145 | 110 | 85 | 18 | 4-φ18 | 330 | 180 | |
| 50 | 230 | 160 | 125 | 100 | 20 | 4-φ18 | 350 | 200 | |
| 65 | 290 | 180 | 145 | 125 | 22 | 8-φ18 | 400 | 280 | |
| 80 | 310 | 195 | 160 | 135 | 22 | 8-φ18 | 355 | 280 | |
| 100 | 350 | 230 | 190 | 160 | 24 | 8-φ23 | 415 | 320 | |
| 125 | 400 | 270 | 220 | 188 | 28 | 8-φ25 | 460 | 360 | |
| 150 | 480 | 300 | 250 | 218 | 30 | 8-φ25 | 510 | 450 | |
| 200 | 600 | 360 | 310 | 278 | 34 | 12-φ25 | 710 | 500 | |
| 250 | 622 | 425 | 370 | 332 | 36 | 12-φ30 | 786 | 550 | |
| 300 | 698 | 485 | 430 | 390 | 40 | 16-φ30 | 925 | 600 |
| 4.0mpa | dn | l | d | d1 | d2 | d6 | b | n-φd | h | d0 |
| 凹凸法兰 mfm j41h j41y j41w j41n 40 40p 40r 40i | 10 | 130 | 90 | 60 | 41 | 35 | 14 | 4-φ14 | 198 | 120 |
| 15 | 130 | 95 | 65 | 45 | 40 | 16 | 4-φ14 | 233 | 120 | |
| 20 | 150 | 105 | 75 | 55 | 51 | 16 | 4-φ14 | 295 | 140 | |
| 25 | 160 | 115 | 85 | 65 | 58 | 16 | 4-φ14 | 285 | 160 | |
| 32 | 180 | 135 | 100 | 78 | 66 | 18 | 4-φ18 | 302 | 160 | |
| 40 | 200 | 145 | 110 | 85 | 76 | 18 | 4-φ18 | 355 | 200 | |
| 50 | 230 | 160 | 125 | 100 | 88 | 20 | 4-φ18 | 373 | 200 | |
| 65 | 290 | 180 | 145 | 120 | 110 | 22 | 8-φ18 | 408 | 280 | |
| 80 | 310 | 195 | 160 | 135 | 121 | 22 | 8-φ18 | 436 | 280 | |
| 100 | 350 | 230 | 190 | 160 | 150 | 24 | 8-φ23 | 480 | 320 | |
| 125 | 4001 | 270 | 220 | 188 | 176 | 28 | 8-φ25 | 588 | 360 | |
| 150 | 480 | 300 | 250 | 218 | 204 | 30 | 8-φ25 | 611 | 400 | |
| 200 | 600 | 375 | 320 | 282 | 260 | 38 | 12-φ30 | 720 | 400 |
在线留言