手动球阀

不锈钢五通球阀
产品简介
News Center
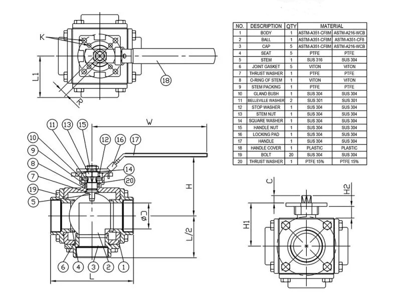
新闻中心不锈钢五通球阀采用进口的先进工艺,结构合理、造型美观。阀座采用弹性密封结构,密封可靠,启闭轻松。阀杆采用有倒密封的下装式结构,阀腔异常升压时,阀杆不会被冲出。带标准ISO高平台和锁定装置。可设置90°开关定位结构,根据需要加锁以防止误操作,驱动方式:手动,电动,气动。
设计标准 | ASME B16.34 |
连接标准 | ASME B1.20.1(NPT)、DIN2999&BS21、ISO228/1&ISO7/1(G,BSP/BSPT,Rc/Rp) |
试验与检验 | API598 |
公称压力:1000PSI
强度试验:10.4Mpa
密封试验:7.6Mpa
气密封试验:0.6Mpa
公称尺寸:DN6-DN100(1/4~4”)
阀门主阀体材料:CF8,CF8M,CF3,CF3M,WCB,WCC,A105,LF2,LCB、LCC
适用介质:水、油、气、化工、电站等
适用温度:-29℃~425℃



在线留言