电动球阀

电动铸钢衬氟球阀Q941F46-16C
产品简介
News Center
新闻中心产品特性:
1、采用FEP衬里层的球阀,具有极高的化学稳定性,可以适用除“熔融碱金属和元素氟”,以外其它任何强腐蚀性质;
2、采用全通径、浮动球结构,阀门可在整个压力范围内进行无泄漏关闭,更便于管路系统的通球扫线和管路维护;
3、启闭件球件与阀杆铸(锻)为一体,杜 了由于压力变化引起阀杆冲出承压件内的可能性,从根本上保证了工程中的使用安全性;
4、结构紧凑合理,阀体内腔空间 小,减小了介质滞留,另外,特殊的模压工艺,使密封面致密度良好,加之人字环形PTFE填料组合,使阀门达到零泄漏。
应用范围:
电动衬氟球阀为控制各种强腐蚀性介质的启闭而进行的专业设计,广泛适用于石油,化工,染化,农药,制酸制碱等行业,是目前防腐阀门的选择之一。
Q941F46-16C电动衬氟球阀主要零件材料:

Q941F46-16C电动衬氟球阀主要性能参数:

Q941F46-16C电动衬氟球阀执行标准:

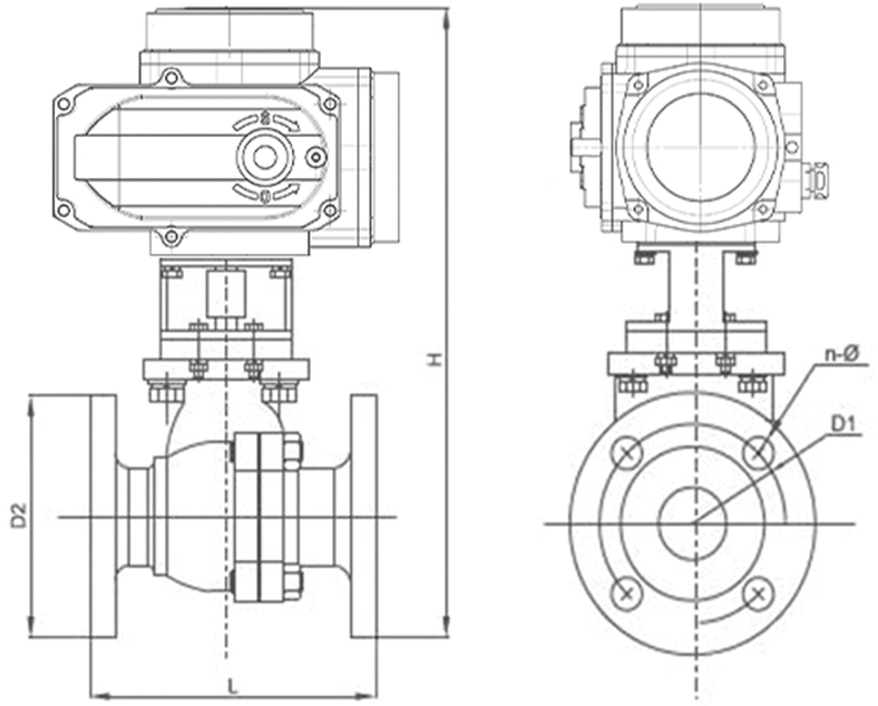
Q941F46-16C电动衬氟球阀结构图:

Q941F46-16C电动衬氟球阀主要外形连接尺寸:

在线留言