电动球阀

电动三片式快装球阀 Q981F-16P
产品简介
News Center
新闻中心性能特点:
1.球阀为三片式结构,便于安装、拆卸、维修。
2.阀体采用精密硅溶胶铸造工艺,结构合理、造型美观。
3.阀座采用弹性密封结构,密封可靠、启闭轻松。
4.阀杆采用有倒密封的下装式结构,阀腔异常升压时,阀杆不会被冲出。
5.阀门有螺纹、焊接和快装连接方式,安装平台符合ISO5211标准。
6.可设置90°开关定位机构,根据需要加锁以防止误操作。
应用领域:
广泛应用于食品、环保、轻工、石油、造纸、化工、教学和科研设备、电力等行业的工业自动控制系统中。
Q981F-16P电动三片式球阀主要零件材料:

Q981F-16P电动三片式球阀主要性能参数:

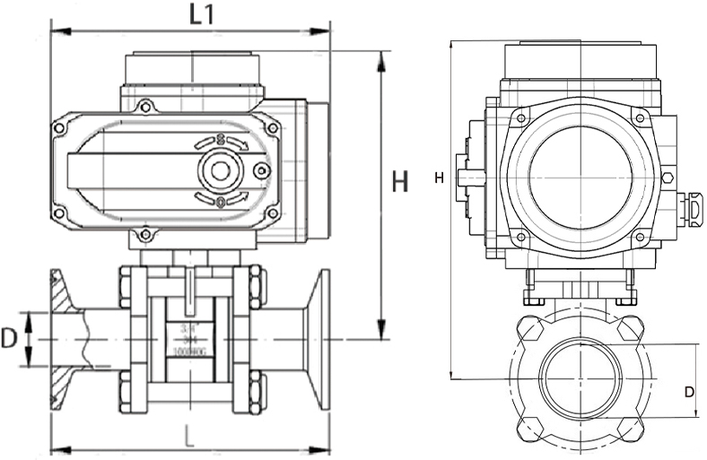
Q981F-16P电动三片式球阀结构图:

Q981F-16P电动三片式球阀主要外形连接尺寸:

在线留言