电动蝶阀

电动硬密封对夹蝶阀 D973H-16C
产品简介
News Center
新闻中心产品特性:
1.本阀采用三偏心密封结构,阀座与蝶板几乎无磨损,具有越关越紧的密封功能。
2.密封圈选用铸钢或不锈钢制作,具有金属硬密封和弹性密封的双重优点,无论在低温和高温的情况下,均具有优良的密封性能,具有耐腐蚀,使用寿命长等特点。
3.蝶板密封面采用堆焊硬质合金,密封面耐磨损,使用寿命长。
4.本阀具有双向密封功能,安装时不受介质流向的限制,也不受空间位置的影响,可在任何方向安装。
5.产品符合国家 GB/T13927-92 阀门压力试验标准。
D973H-16C电动硬密封蝶阀主要零件材料:

D973H-16C电动硬密封蝶阀主要性能参数:

D973H-16C电动硬密封蝶阀执行标准:

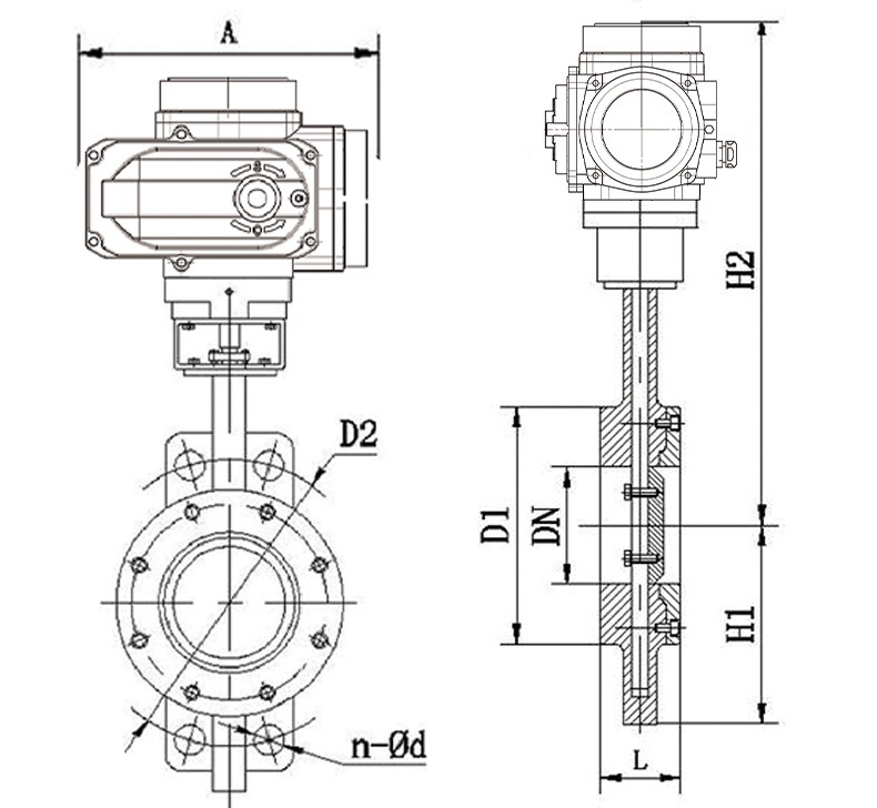
D973H-16C电动硬密封蝶阀结构图:

D973H-16C电动硬密封蝶阀主要外形连接尺寸:

在线留言