电动蝶阀

电动不锈钢法兰蝶阀 D941X-16P
产品简介
News Center
新闻中心产品特点:
1.一种可远程控制的自动蝶阀,同时具备法兰蝶阀的特点,可配蝶阀口径较广。
2.电源是电动蝶阀的驱动能源,动力源广泛,适用范围广,节省人力资源,更有工作效率。
3.操作方便,容易满足各种控制要求,选配不同的电动执行器就可实现,信号反馈、调节流量、防爆等功能。
4.可实现超小型化,可实现机械自锁性,可更换不同密封圈,满足不同工况。
D941X-16P电动法兰蝶阀主要零件材料:

D941X-16P电动法兰蝶阀主要性能参数:

D941X-16P电动法兰蝶阀执行标准:

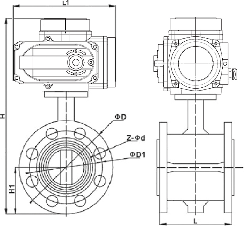
D941X-16P电动法兰蝶阀结构图:

D941X-16P电动法兰蝶阀主要外形连接尺寸:

在线留言