电动蝶阀

电动PPH对夹蝶阀 D971X-10S
产品简介
News Center
新闻中心使用范围及特点:
1、使用温度范围广:-10℃~90℃;
2、具有很好的强度和韧性;
3、具有优良的耐化学腐蚀性能;
4、阻燃性能为自熄性;
5、低热传导性能,为钢材的1/200;
6、介质中重离子含量达超纯水含量;
7、卫生指标符合国家卫生标准;
8、外型结构紧凑美观;
9、本体重量轻容易安装;
10、材质卫生无毒;
11、耐磨损、容易拆卸,维护简单易行;
12、适用流体:水、空气、油类、腐蚀性化学液体。
适用范围:
产品适用于水位控制,温度控制,广泛环保工程,水处理、农业灌溉、洗浴、暖通工程、中央空调、节水设备、IC卡水表、化工管路及食品机械和各种流体控制等工业和民用自动控制行业。
D971X-10S电动PPH对夹蝶阀主要零件材料:

D971X-10S电动PPH对夹蝶阀主要性能参数:

D971X-10S电动PPH对夹蝶阀执行标准:

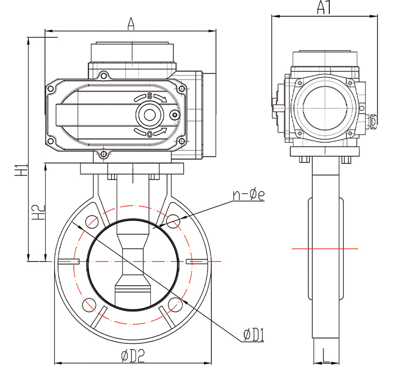
D971X-10S电动PPH对夹蝶阀结构图:

D971X-10S电动PPH对夹蝶阀主要外形连接尺寸:

在线留言