电动蝶阀

电动对夹四氟蝶阀 D971F-16Q
产品简介
News Center
新闻中心性能特点:
1、设计新颖、合理、结构独特,重量轻,启闭迅速。
2、操力矩小,操作方便,省力灵巧。
3、可以任何位置安装,维修方便。
4、密封件可以更换,密封性能可靠达到双向密封零泄漏。
5、密封材料耐老化、耐腐蚀,使用寿命长等特点。
适用范围:
电动对夹蝶阀广泛应用于食品、环保、轻工、石油、化工、教学设备、造纸、电力等行业的工业过程自动控制系统中。
D971F-16Q电动对夹蝶阀主要零件材料:

D971F-16Q电动对夹蝶阀主要性能参数:

D971F-16Q电动对夹蝶阀执行标准:

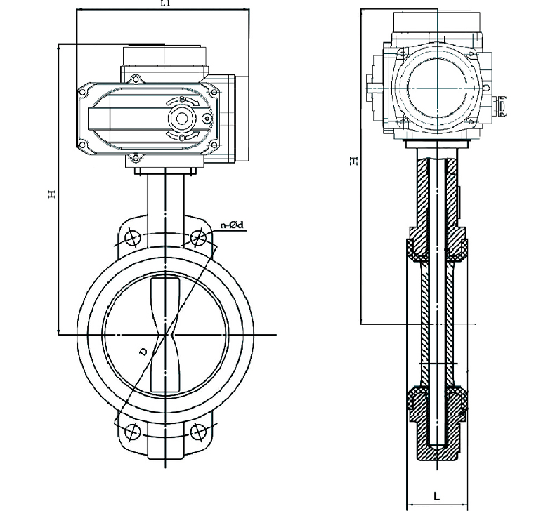
D971F-16Q电动对夹蝶阀结构图:

D971F-16Q电动对夹蝶阀主要外形连接尺寸:

在线留言