过滤器

衬氟Y型过滤器
产品简介
News Center
新闻中心公称通径 | DN25~DN200 |
壳体材质 | 碳钢衬氟 |
滤芯材质 | F4、F46 |
过滤精度 | 10~100目 |
连接方式 | 法兰 |
法兰压力 | 0.25~2.5MPa |
法兰密封面 | RF |
垫片材料 | PTFE |
1、整体式阀体设计;
2、可替换的过滤内件;
3、多种过滤结构设计;
4、滤网精度18—500目可选;
5、常规30目设计;
6、又排放接口;
7、标准法兰连接;
零件名称 | 灰铸铁 (Z) | 碳钢 (C) |
阀体、阀盖 | HT250/A 126 | WCB/A216 WCB |
过滤网 | PTFE(F4) | |
螺栓 /螺母 | 35/45、A193 B7/A194 | |
衬里层 | FEP(F46)PCTFE(F3) | |

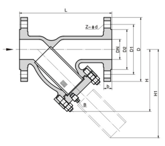
公称通径 DN (mm) | NPS (in) | GL41F46-10/16/25型过滤器 | |||||||||
L | D | D1 | D2 | b | f | H1 | H | Z-φd | 重量(kg) | ||
PNl.0~2.5(MPa) | |||||||||||
20 | 3/4 | 150 | 105 | 75 | 55 | 16 | 2 | 70 | 122 | 4-14 | 3.3 |
25 | 1 | 160 | 115 | 85 | 65 | 16 | 2 | 78 | 135 | 4-14 | 4.2 |
32 | 11/4 | 190 | 135 | 100 | 78 | 18 | 2 | 86 | 154 | 4-18 | 6.6 |
40 | 11/2 | 200 | 145 | 110 | 85 | 18 | 3 | 92 | 164 | 4-18 | 7.3 |
50 | 2 | 230 | 160 | 125 | 100 | 20 | 3 | 102 | 182 | 4-18 | 12 |
65 | 21/2 | 250 | 180 | 145 | 120 | 20 | 3 | 115 | 205 | 4-18 | 16 |
80 | 3 | 280 | 195 | 160 | 135 | 22 | 3 | 135 | 232 | 8-18 | 23 |
100 | 4 | 320 | 215 | 180 | 155 | 24 | 3 | 156 | 263 | 8-18 | 32 |
125 | 5 | 400 | 245 | 210 | 185 | 26 | 3 | 248 | 370 | 8-18 | 39 |
150 | 6 | 500 | 280 | 240 | 210 | 28 | 3 | 285 | 425 | 8-23 | 52 |
200 | 8 | 600 | 335 | 295 | 265 | 30 | 3 | 362 | 530 | 8-23 | 89 |
在线留言