止回阀

H41H不锈钢升降式止回阀
产品简介
News Center
新闻中心产品型号:H41H、H41W、H41N
公称通径:DN15-DN300
公称压力:1.6MPa-6.4MPa
适用介质:水、油品、蒸汽等
适用温度:-20℃-425℃
阀体材质:铸钢、不锈钢等
设计及制造标准 | GB/T12235 |
法兰连接尺寸标准 | JB/T74-94、GB/T9113 |
结构长度标准 | GB/T12221-2005 |
型号 | H41H-16C~100 | H41Y-16C~100 | H41W-16P~100 | |
工作压力(MPa) | 1.6~10.0 | |||
适用温度(℃) | ≤425 | ≤150 | ||
适用介质 | 水、蒸汽、油品 | 弱腐蚀性介质 | ||
材料 | 阀体、阀盖 | 碳钢 | 铬镍钛不锈钢 | |
密封面 | 堆焊铬不锈钢 | 堆焊硬质合金 | 铬镍钛不锈钢 | |
垫片 | 钢带石墨参缠绕 | 聚四氟乙烯 | ||

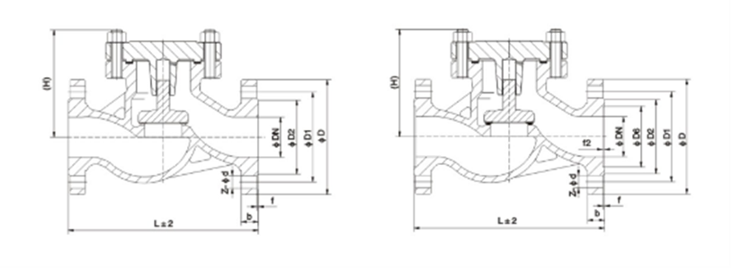
DN | L | D | D1 | D2 | b | H |
15 | 130 | 95 | 65 | 45 | 14 | 77 |
20 | 150 | 105 | 75 | 55 | 14 | 77 |
25 | 160 | 115 | 85 | 65 | 14 | 80 |
32 | 180 | 135 | 100 | 78 | 16 | 85 |
40 | 200 | 145 | 110 | 85 | 16 | 95 |
50 | 230 | 160 | 125 | 100 | 16 | 105 |
65 | 290 | 180 | 145 | 120 | 18 | 120 |
80 | 310 | 195 | 160 | 135 | 20 | 130 |
100 | 350 | 215 | 180 | 155 | 20 | 140 |
125 | 400 | 245 | 210 | 185 | 22 | 155 |
150 | 480 | 280 | 240 | 210 | 24 | 180 |
200 | 600 | 335 | 295 | 265 | 26 | 215 |
250 | 730 | 405 | 355 | 320 | 30 | 260 |
300 | 850 | 460 | 410 | 375 | 34 | 315 |
在线留言