止回阀

凸耳对夹式止回阀
产品简介
News Center
新闻中心产品口径 DN50-DN1200
产品压力 150LB-2500LB
产品材质 WCB,CF8,A105,F304,F316
适用温度:-20℃~425℃
适用介质:水、油品、蒸汽
连接方式:对夹法兰连接
设计制造标准 | API594,API 6D,ASME B16.34 |
结构长度 | API 594,API 6D,ASME B16.10 |
连接尺寸 | ASME B16.5,ASME B16.47 |
试验标准 | API 598,API 6D |
1、对夹凸耳双瓣止回阀结构长短、体积小、重量轻、为阀门安装、搬运、存放及管道布置带来很大便利,并能节省成本。
2、降低了线震动,为了把线震动降低到小限度或排除线震动,须在液流有机会逆流之前尽快关闭止回阀。
双瓣止回阀当中的每个瓣片尺寸只有全结构止回阀瓣尺寸的一半,它所经历是降低了流体阻力,并可以更加快速地移动到关闭位置。它们的旋转半径只有常规止回阀的一半。其从打开位置到关闭位置的前沿距离减半,从而把行程时间降低
3、双瓣止回阀减少水锤,各全结构旋启式止回阀对比,双瓣式止加回阀的瓣片已经被大大地降低了重量,其能够把砰击和水锤现象降低到小限度。

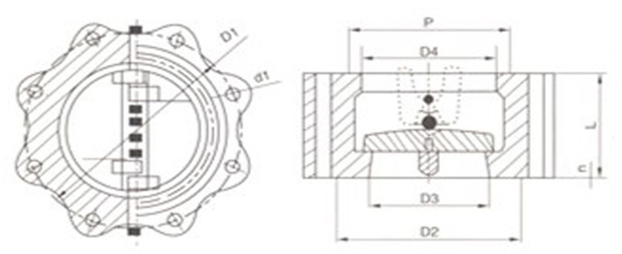
| 口径 | 尺寸 | |||||||
| NPS | DN | L | D | D1 | D2 | D3 | D4 | |
| RF | RJ | |||||||
| 8 | 200 | 127 | 343 | 298.5 | 270 | 273 | 203 | 210 |
| 10 | 250 | 146 | 406 | 362 | 324 | 330 | 254 | 266 |
| 12 | 300 | 181 | 483 | 432 | 381 | 406 | 305 | 310 |
| 14 | 350 | 184 | 533 | 476 | 413 | 425 | 350 | 355 |
| 16 | 400 | 191 | 597 | 540 | 470 | 483 | 400 | 405 |
| 18 | 450 | 203 | 635 | 578 | 533 | 546 | 450 | 455 |
| 20 | 500 | 219 | 699 | 636 | 584 | 597 | 500 | 505 |
| 24 | 600 | 222 | 813 | 749.6 | 692 | 711 | 600 | 605 |
| 28 | 700 | 305 | 837 | 795.5 | 762 | ′- | 700 | 700 |
| 30 | 750 | 305 | 887 | 846 | 813 | ′- | 746 | 750 |
| 32 | 800 | 305 | 941 | 900 | 864 | ′- | 796 | 800 |
| 36 | 900 | 368 | 1057 | 1009.5 | 972 | ′- | 898 | 910 |
| 42 | 1050 | 432 | 1226 | 1171.5 | 1130 | ′- | 1050 | 1055 |
在线留言