止回阀

H44H美标旋启式止回阀
产品简介
News Center
新闻中心产品型号:H44H/W
公称通径:2"-24"
公称压力:150LB-2500LB
适用介质:水、蒸汽等
适用温度:-20℃-425℃
阀体材质:铸钢、不锈钢、锻钢
| 设计和制造标准 | API 6D |
| 检验和试验标准 | API 598 |
| 法兰连接尺寸标准 | ASME B16.5、ASME B16.47 A、API 605 |
试验压力/Mpa | 公称压力( Lb ) | |||
150 | 300 | 400 | 600 | |
壳体试验 | 3 | 7.5 | 10.2 | 15 |
密封试验 | 2.2 | 5.5 | 7.5 | 11 |
阀体材料 | WCB(C) | CF8(P) | CF 8M (R) | WC6/WC9(V) |
工作温度 / ℃ | ≤ 425 | ≤ 100 | ≤ 100 | ≤ 550 |
适用介质 | 水、蒸汽、油品 | 硝酸类 | 醋酸类 | 水、蒸汽 |
| 零件名称 | 材料牌号 | |||
| 阀体 | WCB | WC1 | WC6 | WC9 |
| 阀座 | 25 | 15CrMoA | 12Cr1MoVA | |
| 阀瓣 | WCB | WC1 | WC6 | WC9 |
| 摇杆 | WCB | WC1 | WC6 | WC9 |
| 阀盖 | 25 | 15CrMoA | 12Cr1MoVA | |
| 销轴 | 1Cr17Ni2 | 20Cr1Mo1V1A | ||
| 密封环 | S软钢(增强柔性石墨) | S软钢 | F软钢 | |
| 工作温度 | ≤425℃ | ≤450℃ | ≤540℃ | ≤570℃ |
| 适用介质 | 蒸气、水 | |||

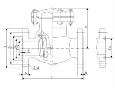
| DN | 150Lb凸面法兰RF | |||||||
| mm | in | L | D | D1 | D1 | b | n-φd | H |
| 50 | 2 | 203 | 152 | 120.7 | 92 | 19 | 4-φ19 | 165 |
| 65 | 2 1/2 | 216 | 178 | 139.7 | 105 | 22.4 | 4-φ19 | 175 |
| 80 | 3 | 241 | 190 | 152.4 | 127 | 24 | 4-φ19 | 190 |
| 100 | 4 | 292 | 229 | 190.5 | 157 | 24 | 8-φ19 | 215 |
| 125 | 5 | 356 | 254 | 216 | 186 | 24 | 8-φ22.5 | 240 |
| 150 | 6 | 406 | 279 | 241.3 | 216 | 25.4 | 8-φ22.5 | 265 |
| 200 | 8 | 495 | 343 | 298.5 | 270 | 28.4 | 8-φ22.5 | 320 |
| 250 | 10 | 622 | 406 | 362 | 324 | 30.2 | 12-φ25.4 | 365 |
| 300 | 12 | 698 | 483 | 431.8 | 381 | 32 | 12-φ25.4 | 415 |
| DN | 300Lb凸面法兰RF | |||||||
| 50 | 2 | 267 | 165 | 127 | 92 | 22.4 | 8-φ19 | 190 |
| 65 | 2 1/2 | 292 | 190 | 149 4 | 105 | 25.4 | 8-φ22.5 | 205 |
| 80 | 3 | 318 | 210 | 168.1 | 127 | 28.4 | 8-φ22.5 | 220 |
| 100 | 4 | 356 | 254 | 200.2 | 157 | 31.8 | 8-φ22.5 | 245 |
| 125 | 5 | 400 | 279 | 235 | 186 | 35 | 8-φ22.5 | 265 |
| 150 | 6 | 444 | 318 | 269.7 | 21 6 | 36.6 | 12-φ22.5 | 295 |
| 200 | 8 | 559 | 381 | 330.2 | 270 | 41.2 | 12-φ25.4 | 330 |
| 250 | 10 | 622 | 444 | 387.4 | 324 | 47.8 | 16-φ28.5 | 420 |
| 300 | 12 | 711 | 521 | 450.8 | 381 | 50.8 | 16-φ32 | 480 |
在线留言