止回阀

国标旋启式止回阀
产品简介
News Center
新闻中心产品型号:H44H/W/Y/I
产品口径:DN15-1200mm
产品压力:1-16Mpa
产品材质:铸钢、不锈钢、铬不锈钢、铬钼鈦铸钢
工作温度-196~540℃
适用于水、蒸汽、油品、硝酸、强氧化性介质及尿素等
设计制造 | GB12236 |
结构长度 | GB12221 |
连接法兰 | JB/T79-1994 |
试验与检验 | JB/T9092-1999 |
试验压力 | 公称压力( MPa ) | ||||
1.6 | 2.5 | 4 | 6.4 | 10 | |
壳体试验 | 2.4 | 3.8 | 6 | 9.6 | 15 |
密封试验 | 1.8 | 2.8 | 4.4 | 7.1 | 11 |
阀体材料 | WCB(C) | CF8(P) | CF 8M (R) | WC6 | WC9 |
工作温度 | ≤ 425 | ≤ 100 | ≤ 100 | ≤ 550 | ≤ 550 |
适用介质 | 水、蒸汽、油品 | 硝酸类 | 醋酸类 | 水、蒸汽 | 水、蒸汽 |

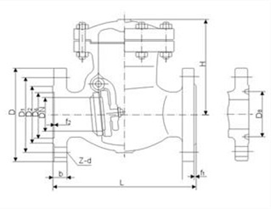
公称通径 DN | 主要外形尺寸和连接尺寸 | ||||||
L | D | D1 | D2 | b | Z-d | H | |
25 | 160 | 115 | 85 | 65 | 16 | 4-14 | 100 |
32 | 180 | 135 | 100 | 78 | 16 | 4-18 | 105 |
40 | 200 | 145 | 100 | 85 | 16 | 4-18 | 115 |
50 | 230 | 160 | 125 | 100 | 16 | 4-18 | 135 |
65 | 290 | 180 | 145 | 120 | 18 | 4-18 | 142 |
80 | 310 | 195 | 160 | 135 | 20 | 8-18 | 165 |
100 | 350 | 215 | 180 | 155 | 20 | 8-18 | 180 |
125 | 400 | 245 | 210 | 185 | 22 | 8-18 | 210 |
150 | 480 | 280 | 240 | 210 | 24 | 8-23 | 233 |
200 | 500 | 335 | 295 | 265 | 26 | 12-23 | 304 |
250 | 550 | 405 | 355 | 320 | 30 | 12-25 | 348 |
300 | 650 | 460 | 410 | 375 | 30 | 12-25 | 390 |
350 | 750 | 520 | 470 | 435 | 34 | 16-25 | 430 |
400 | 850 | 580 | 525 | 485 | 36 | 16-30 | 468 |
25 | 160 | 115 | 85 | 65 | 16 | 4-14 | 100 |
32 | 180 | 135 | 100 | 78 | 16 | 4-18 | 105 |
40 | 200 | 145 | 110 | 85 | 16 | 4-18 | 115 |
50 | 230 | 160 | 125 | 100 | 20 | 4-18 | 160 |
65 | 290 | 180 | 145 | 120 | 22 | 8-18 | 175 |
80 | 310 | 195 | 160 | 135 | 22 | 8-18 | 185 |
100 | 350 | 230 | 190 | 160 | 24 | 8-23 | 220 |
125 | 400 | 270 | 220 | 188 | 28 | 8-25 | 248 |
150 | 480 | 300 | 250 | 218 | 30 | 8-25 | 276 |
200 | 550 | 360 | 310 | 278 | 34 | 12-25 | 350 |
250 | 650 | 425 | 370 | 332 | 36 | 12-30 | 410 |
300 | 750 | 485 | 430 | 390 | 40 | 16-30 | 430 |
350 | 850 | 550 | 490 | 448 | 44 | 16-34 | 518 |
400 | 950 | 610 | 550 | 505 | 48 | 16-34 | 560 |
在线留言