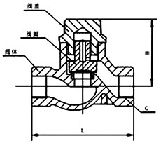
止回阀

H11W丝扣升降式止回阀
产品简介
News Center
新闻中心公称通径:DN8-DN80
公称压力:1.6Mpa(200psi)
适用温度:-40℃~250℃
适用介质:水、油、气
阀体材质:不锈钢
连接方式:G•NPT.BSPT.BSP DIN259/2999
1、结构简单、体积小、重量轻。
2、流道通畅、流体阻力小,阀瓣在很小的压差下就能完全打开。
3、维修方便,球阀结构简单,密封圈一般都是活动的,拆卸更换都比较方便。
| 型号 | 公称压力 | 试验压力 | 工作温度℃ | 适用介质 | |
| 强度(水)MPa | 密封(水)MPa | ||||
| H11T-16 | 1.6 | 2.4 | 1.8 | ≤200 | 蒸汽、水 |
| H11W-16 | 1.6 | 2.4 | 1.8 | ≤100 | 油 |
| 零件名称 | 材料 | |
| H11T-16 | H11W-16 | |
| 阀体、阀盖 | 灰铸铁 | 灰铸铁 |
| 密封圈 | 钢铜 | 灰铸铁 |
| 垫片 | 石棉板 | 石棉板 |

| 型号 | 公称通径 | 尺寸(mm) | ||||
| DN(mm) | L | I | H | S | S0 | |
| H11W-16P | 15 | 90 | 13 | 55 | 30 | 27 |
| 20 | 100 | 16 | 57 | 36 | 30 | |
| 25 | 120 | 18 | 63 | 46 | 32 | |
| 32 | 140 | 18 | 73 | 55 | 36 | |
| 40 | 170 | 22 | 83 | 92 | 42 | |
| 50 | 200 | 24 | 90 | 75 | 42 | |
在线留言