止回阀

底阀
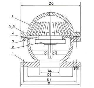
产品简介
News Center
新闻中心公称通径:DN50-DN300
公称压力:1.0MPa-2.5MPa
适用介质:水
适用温度:0℃-80℃
阀体材质:铸铁、铸钢、不锈钢
阀门压力试验 | GB/T13927-1992 |
阀门结构长度 | GB/T1221-1989 |
阀门标志 | GB/T1220-1989 |
型号 | 公称压力 | 试验压力 | 工作温度℃ | 适用介质 | |
强度(水)MPa | 密封(水)MPa | ||||
H42X-2.5 | 0.25 | 0.4 | 0.25 | ≤50 | 水 |

型号 | 公称通径 | H | D | D1 | D2 | Z-d |
H42X | 32 | 105 | 120 | 90 | 70 | 4-φ14 |
40 | 110 | 130 | 100 | 80 | 4-φ14 | |
50 | 125 | 140 | 110 | 90 | 4-φ14 | |
65 | 150 | 160 | 130 | 110 | 4-φ14 | |
80 | 175 | 185 | 150 | 128 | 4-φ18 | |
100 | 190 | 205 | 170 | 148 | 4-φ18 | |
125 | 240 | 235 | 200 | 178 | 8-φ18 | |
150 | 280 | 260 | 225 | 202 | 8-φ18 | |
200 | 360 | 315 | 280 | 258 | 8-φ18 |
在线留言