闸阀

Z945T煤气电动铸铁闸阀
产品简介
News Center
新闻中心公称压力 1.0~2.5MPa
工作温度 0~80℃
法兰标准 GB/T 17241.6 GB9113
公称通经 500~1200mm
适用介质 水、油、水煤气、油煤气等
1、电动暗杆闸阀适用于液、气介质管路和设备,作为接通和断流之用。
2、电动暗杆闸阀在管路中主要作截流用,安装不受流向限制。传动方式采用电动,启闭时可传递较大的力矩,大大减轻了启闭强度。
3、电动暗杆闸阀具有强度高、刚性好、耐磨损、寿命长、性能稳定等特点
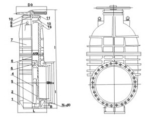
| 名称 | 材料 |
| 阀体 | 灰铸铁、球墨铸铁、铸钢 |
| 闸板 | 球墨铸铁外覆三元乙丙或丁腈橡胶 |
| 内六角螺栓 | 碳化处理 |
| 密封圈 | 丁腈橡胶 |
| 阀盖 | 灰铸铁、球墨铸铁、铸钢 |
| 阀杆 | 不锈钢 |
| “O” 形密封圈 | 丁腈橡胶 |
| 止推轴承 | 锡青铜 |
| 螺栓 | 不锈钢 |
| 压盖 | 球墨铸铁、铸钢 |
| 防尘罩 | 丁腈橡胶 |
设计制造 | 结构长度 | 法兰面尺寸 | 试验-检验 |
GB/T12234-89 | GB/T12221-89 | JB79 GB/T9113 | JB/T9092-99 GB/T13927-92 |
型号 | 公称压力 | 试验压力 | 工作温度℃ | 适用介质 | |
MPa | 强度(水)MPa | 密封(水)MPa | |||
Z945T | 0.15 | 0.25 | 0.165 | -10~120 | 焦炉炉煤气、发生炉煤气、水煤气、油煤气等 |
Z945T | 0.2 | 0.3 | 0.22 | ||
Z945T | 0.25 | 0.375 | 0.275 | -10~120 | 煤气、天然气 |

DN | D | D1 | D2 | z--d | L | b | f | Do | H | H1 | A*B | 重量Kg | ||||
6巴级 | 10巴级 | 6巴级 | 10巴级 | 6巴级 | 10巴级 | 6巴级 | 10巴级 | |||||||||
150 | 265 | 285 | 225 | 240 | 202 | 212 | 8-17.5 | 8-22 | 350 | 26 | 3 | 280 | 550 | 140 | 330*260 | 132 |
200 | 320 | 340 | 280 | 295 | 258 | 268 | 8-17.5 | 8-22 | 400 | 28 | 3 | 320 | 600 | 160 | 930*280 | 196 |
250 | 375 | 395 | 335 | 350 | 312 | 320 | 12-17.5 | 12-22 | 450 | 28 | 3 | 320 | 750 | 230 | 470*310 | 301 |
300 | 440 | 445 | 395 | 400 | 365 | 370 | 12-22 | 12-22 | 500 | 28 | 4 | 400 | 810 | 300 | 520*350 | 462 |
350 | 490 | 505 | 445 | 460 | 415 | 430 | 12-22 | 16-22 | 550 | 30 | 4 | 400 | 950 | 340 | 570*380 | 680 |
400 | 540 | 565 | 495 | 515 | 465 | 482 | 16-22 | 16-26 | 406 | 32 | 4 | 640 | 1010 | 430 | 640*390 | 768 |
450 | 595 | 615 | 550 | 565 | 520 | 532 | 16-22 | 20-26 | 432 | 32 | 4 | 640 | 1070 | 465 | 690*410 | 898 |
500 | 645 | 670 | 600 | 620 | 570 | 585 | 20-22 | 20-26 | 457 | 34 | 4 | 800 | 1140 | 490 | 800*460 | 1362 |
600 | 755 | 780 | 705 | 725 | 670 | 685 | 20-22 | 20-30 | 508 | 36 | 5 | 800 | 1380 | 540 | 930*500 | 1706 |
700 | 860 | 895 | 810 | 840 | 775 | 800 | 24-26 | 24-30 | 610 | 40 | 5 | 1000 | 1560 | 590 | 1070*550 | 1846 |
800 | 975 | 1015 | 920 | 950 | 880 | 905 | 24-30 | 24-33 | 660 | 44 | 5 | 1000 | 1760 | 680 | 1190*580 | 2760 |
900 | 1075 | 1115 | 1020 | 1050 | 980 | 1005 | 24-30 | 28-33 | 711 | 46 | 5 | 1200 | 1930 | 760 | 1280*570 | 3760 |
1000 | 1175 | 1230 | 1120 | 1160 | 1080 | 1110 | 28-30 | 28-36 | 811 | 50 | 5 | 1200 | 1960 | 800 | 1390*580 | 4400 |
1200 | 1405 | 1455 | 1340 | 1380 | 1295 | 1330 | 32-33 | 32-39 | 960 | 56 | 5 | 1400 | 2440 | 840 | 1680*780 | 6787 |
1400 | 1630 | 1675 | 1560 | 1590 | 1510 | 1530 | 36-36 | 36-42 | 960 | 62 | 5 | 1400 | 3020 | 1000 | 1900*850 | 8540 |
1600 | 1830 | 1915 | 1760 | 1820 | 1710 | 1750 | 40-36 | 40-48 | 1160 | 68 | 5 | 1600 | 3627 | 1250 | 2360*980 | 12480 |
1800 | 2045 | 2115 | 1970 | 2020 | 1920 | 1950 | 44-39 | 44-48 | 1160 | 70 | 5 | 1600 | 4107 | 1357 | 2740*1108 | 16790 |
在线留言