0510-83123233

气动蝶阀

D671F46气动衬氟对夹蝶阀

产品简介

D671F46气动衬氟对夹蝶阀 产品说明阀门型号:D671F46,D641F46,D671F4,D641F4通径规格:DN50~DN2000结构形式:中线型,对

产品型号:D671F46
浏览次数:
详细介绍在线留言
  • D671F46气动衬氟对夹蝶阀 产品说明

阀门型号:D671F46,D641F46,D671F4,D641F4

通径规格:DN50~DN2000

结构形式:中线型,对夹式

阀体材料:铸钢WCB、不锈钢304、不锈钢316

公称压力:PN6、PN10、PN16

适用温度:-20℃~180℃

应用范围:弱腐蚀性流体及强酸介质等

气缸选配:AT系列、AW系列、AT Series、AW Series    

气缸形式:双作用、单作用(弹簧复位)    

控制方式:开关型、调节型、三段式(开度可调)    

密封材质:丁晴橡胶(X)、聚四氟乙烯(F)、全内衬四氟乙烯(F46)    


  • D671F46气动衬氟对夹蝶阀 设计标准

设计标准

GB/12238

结构长度

GB/12221

连接法兰尺寸

GB/12221

实验和检验

JB/T9092


  • D671F46气动衬氟对夹蝶阀 主要零件材质

零件名称

材料名称

阀体

铸铁、铸钢、不锈钢、铬钼钢、合金钢

蝶板

铸钢、合金钢(镀硬铬)、不锈钢、铬钼钢

密封圈

橡胶、PTFE、PPL、不锈钢、聚内脂、抗磨材料

阀杆

2Cr13、1Cr13不锈钢、铬钼钢

填料

聚四氟乙烯、柔性石墨


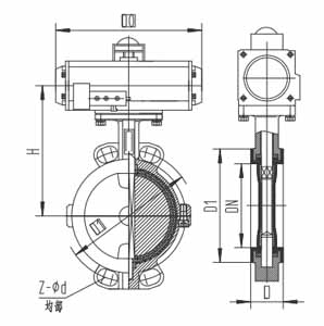
  • D671F46气动衬氟对夹蝶阀 外形尺寸

                                                                                    气动衬氟对夹蝶阀(图1)

公称通径

 主要尺寸

DN 

 L

D

D1

D2

f

b

z-d

D

D1

D2

f

b

z-d

  mm

  inch

  法兰

    PN0.6MPa

    PN1.0MPa

  40

  11/2

  106

  130

  100

  80

    3

    14

  4-14

  150

  110

    85

    3

    18

    4-18

    50

    2

    108

    140

    110

    90

    3

    14

  4-14

  165

  125

  100

    3

    18

    4-18

    65

    2i/2

    112

    160

    130

    110

    3

    14

  4-14

  185

  145

  120

    3

    18

    4-18

    80

    3

    114

    190

    150

    125

    3

    16

  4-18

  200

  160

  135

    3

    20

    8-18

    100

    4

    127

    210

    170

    145

    3

    16

  4-18

  220

  180

  155

    3

    20

    8-18

    125

    5

    140

    240

    200

    175

    3

    18

  8-18

  250

  210

  185

    3

    22

    8-18

    150

    6

    140

    265

    225

    200

    3

    18

  8-18

  285

  240

  210

    3

    22

    8-22

    200

    8

    152

    320

    280

    255

    3

    20

  8-18

  340

  295

  265

    3

    24

    8-22

    250

    10

    165

    375

    335

    310

    4

    22

  12 -18

  395

  350

  320

    4

    26

  12-22

  300

  12

  178

  440

  395

  363

    4

    22

  12-22

  445

  400

  370

    4

    26

  12-22

  350

  14

  190

  490

  445

  413

    4

    22

  12-22

  505

  460

  430

    4

    26

  16-22

  400

  16

  216

  540

  495

  463

    4

    22

  16-22

  565

  515

  480

    4

    26

  16-26

  450

  18

  222

  595

  550

  518

    4

    22

  16-22

  615

  565

  530

    4

    28

  20-26

  500

  20

  229

  645

  600

  568

    4

    24

  20-22

  670

  620

  580

    4

    28

  20-26

  600

  24

  267

  755

  705

  667

    5

    30

  20-26

  780

  725

  680

    5

    34

  20-30

  700

  28

  292

  860

  810

  772

    5

    24

 24-26

  895

  840

  795

    5

    34

  24-30

  800

  32

  318

  975

  920

  878

    5

    24

 24-30

 1015

 950

 900

    5

    36

  24-33

  900

  36

  330

  1075

  1020

  980

    5

    26

 24-30

 1115

 1050

 1000

    5

    38

  28-33

  1000

  40

  410

  1175

  1120

  1080

    5

    26

  28-30

  1230

  1160

  1115

    5

    38

  28-36

  1200

  48

  470

  1405

  1340

  1295

    5

    28

  32-33

  1455

  1380

  1330

    5

  44

  32-39


在线留言

留言框

  • 产品名称:

  • 您的单位:

  • 您的姓名:

  • 联系电话:

  • 常用邮箱:

  • 省份:

  • 详细地址:

  • 留言内容:

  • 验证码:

全国服务热线:

0510-83123233

以品质赢得客户满意口碑
扫一扫
添加公司微信

Copyright © 半岛网页版-半岛(中国) 版权所有  

关注

联系

15370222112

联系
顶部
星空·综合(xingkong)体育官方网站-sports xingkong体育(中国)官方网站 亚搏网页版-亚搏yabo(中国) 新利·体育(中国)官方网站-登录入口 奇异果体育-QIYIGUO SPORTS中国官网 米兰·(milan)中国官方网站 星空平台-星空(中国)一站式服务平台 必一平台-必一(中国)一站式服务平台 必一·运动(B-sports)官方网站