手动蝶阀

SD341X伸缩蝶阀
产品简介
News Center
新闻中心SD341X-6、SD341X-10 型法兰式伸缩蝶阀具有自动补偿管道热胀冷缩方便装卸的功能,使用于温度在425℃以下,公称压力在1.6MPa以下的石油,化工、电力、造纸、给排水和市政建设等工业管道上作调节流量和载断流体的最佳装置。
1、结构独特,设计灵活,重量轻,省力,启闭迅速
2、伸缩蝶阀不仅能补偿管道温差缩产生的热胀冷缩的功能,海能为维修阀门安装更换提供方便
3、密封部位可调节更换,密封性能可靠
| 公称通径 | DN(mm) | 50~2000 | ||
|---|---|---|---|---|
| 公称压力 | PN(MPa) | 0.6 | 1.0 | 1.6 |
| 试验压力 | 强度试验 | 0.9 | 1.5 | 2.4 |
| 密封试验 | 0.66 | 1.1 | 1.76 | |
| 气密封试验 | 0.6 | 0.6 | 0.6 | |
| 适用温度 | ≤80℃ | |||
| 适用介质 | 空气、水、蒸气、煤气、油品等。 | |||
| 驱动形式 | 手动、蜗杆蜗轮传动、气传动、电传动。 | |||
| 零件名称 | 材料 |
|---|---|
| 阀体 | 铸铁、铸钢、不锈钢、铬钼钢、合金钢 |
| 蝶板 | 铸钢、合金钢、不锈钢、铬钼钢 |
| 密封圈 | 橡胶、聚四氟、聚内脂、不锈钢 |
| 阀杆 | 2Cr13、不锈钢、铬钼钢 |
| 伸缩管 | 铸铁、铸钢、不锈钢、铬钼钢 |
| 填料 | 柔性石墨 |

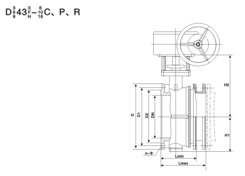
公称通径DN | 1.0MPa | |||||||
D | D1 | D2 | Lmax | Lmin | H1 | H2 | n-Φd | |
100 | 220 | 180 | 158 | 216 | 174 | 110 | 170 | 8-18 |
125 | 250 | 210 | 184 | 232 | 176 | 123 | 182 | 8-18 |
150 | 285 | 240 | 212 | 239 | 194 | 140 | 210 | 8-22 |
200 | 340 | 295 | 268 | 264 | 214 | 170 | 238 | 8-22 |
250 | 395 | 350 | 320 | 296 | 235 | 195 | 270 | 12-22 |
300 | 445 | 400 | 370 | 300 | 250 | 222 | 300 | 12-22 |
350 | 505 | 460 | 4330 | 320 | 270 | 252 | 330 | 16-22 |
400 | 565 | 515 | 482 | 332 | 282 | 285 | 368 | 16-26 |
450 | 615 | 565 | 532 | 355 | 305 | 310 | 402 | 20-26 |
500 | 670 | 620 | 585 | 365 | 315 | 337 | 438 | 20-26 |
600 | 780 | 725 | 685 | 420 | 370 | 393 | 490 | 20-30 |
700 | 895 | 840 | 800 | 446 | 396 | 450 | 558 | 24-30 |
800 | 1015 | 950 | 905 | 476 | 426 | 515 | 625 | 24-33 |
900 | 1115 | 1050 | 1005 | 506 | 456 | 560 | 685 | 28-33 |
1000 | 1230 | 1160 | 1110 | 516 | 466 | 610 | 750 | 28-36 |
1200 | 1455 | 1380 | 1330 | 560 | 510 | 725 | 880 | 32-39 |
1400 | 1675 | 1590 | 1530 | 590 | 540 | 840 | 987 | 36-42 |
1600 | 1915 | 1820 | 1750 | 630 | 585 | 960 | 1158 | 40-48 |
1800 | 2115 | 2020 | 1950 | 680 | 630 | 1060 | 1258 | 44-48 |
2000 | 2325 | 2230 | 2150 | 730 | 680 | 1165 | 1365 | 48-48 |
在线留言