手动蝶阀

D373W涡轮金属硬密封对夹蝶阀
产品简介
News Center
新闻中心产品名称:金属硬密封对夹蝶阀
产品型号:D373H
公称通径:DN50~DN1000
阀座密封:合金、司太立、不锈钢
公称压力:1.0Mpa~4.0MPa
连接方式:对夹式
适用温度:-20ºC~+150ºC~425ºC
驱动方式:手动、蜗轮、电动、气动
阀体材质:铸钢、不锈钢
制造标准: 国标GB、德国DIN、美国API、ANSI
适用介质:水、油、蒸汽、气体、粉体、液体
D373W金属硬密封对夹蝶阀采用一个“U”型不锈钢密封圈,该精密的弹性密封圈与经过抛光的蝶板三维偏心接触。解决了传统偏心蝶阀在启闭0°~10°瞬间密封面仍处于滑动接触摩擦的弊病,实现蝶板在开启瞬间密封面即分离,关闭接触即密封的效果,达到延长使用寿命、密封性能最佳的目的。
1、该蝶阀结构简单、紧凑、重量轻、易于安装和拆卸、维修方便;
2、本蝶阀采用不锈钢“U”型密封圈,具有一定的弹性无论在高温、低温的情况下,它与蝶板均具有优良的密封性;
3、本蝶阀的三维偏心距,经过严格的计算,“U”型密封圈与蝶板几乎无磨擦,使用寿命长,并具有越关越紧的功能;
4、蝶板密封面采用堆焊钴基硬质合金,密封面耐磨损,使用寿命长;
5、本蝶阀结构独特,“开关”仅需转动阀杆90°即可完成。操作灵活、方便、省力、不受介质压力的高低影响,密封性能可靠;
6、耐高温、耐低温、耐腐蚀性。
设计标准 :GB/T12238-1989
结构长度:GB/T12221-1989
压力试验:GB/T13927-1992;JB/T9092-1999
公称通径 | DN(mm) | 50~1200 | ||||
公称压力 | PN(MPa) | 0.6 | 1.0 | 1.6 | 2.5 | 4.0 |
试验压力 | 强度试验 | 0.9 | 1.5 | 2.4 | 3.75 | 6.0 |
密封试验 | 0.66 | 1.1 | 1.76 | 2.75 | 4.4 | |
气密封试验 | 0.6 | 0.6 | 0.6 | 0.6 | 0.6 | |
适用介质 | 水、蒸气、油品、酸类腐蚀性等。 | |||||
适用温度 | 碳钢 :-29℃~600℃ 不锈钢-40℃~600℃ | |||||
零件名称 | 材料 |
阀体 | 铸铁、铸钢、不锈钢、铬钼钢、合金钢 |
蝶板 | 铸钢、合金钢(镀硬铬)、不锈钢、铬钼钢 |
密封圈 | 不锈钢、聚内脂、抗磨材料 |
阀杆 | 2Cr13、1Cr13不锈钢、铬钼钢 |
填料 | 柔性石墨 |
1、偏离管道中心
2、偏离密封面中心
3、倾斜的锥形
当阀门开启时,蝶板与阀座在关闭时瞬间接触,利用蝶板偏心1、偏心2迅速脱离阀座,降低了密封副的磨损,磨擦力矩小,开启灵活。偏心锥面3,使阀门在开启或关闭时蝶板能通过阀座内孔,实现接触密封。另外,锥形蝶板的旋转半径大于密封副接触位置的旋转半径,故蝶板在阀门关闭时将出现越关越紧,能够实现自锁,防止蝶板过位。

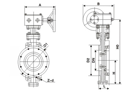
公称通径 | 结构长度 | 外形尺寸(参考值) | 连接尺寸(标准值) | 重量 | |||||||
H | H1 | A | B | PN0.6MPa | PN1.0MPa | ||||||
毫米 | 英寸 | L | D1 | Z-d | D1 | Z-d | |||||
50 | 2 | 43 | 112 | 350 | 180 | 200 | 110 | 4-14 | 125 | 4-18 | 11 |
65 | 2-1/2 | 46 | 115 | 370 | 180 | 200 | 130 | 4-14 | 145 | 4-18 | 12 |
80 | 3 | 49 | 120 | 380 | 180 | 200 | 150 | 4-18 | 160 | 8-18 | 14 |
100 | 4 | 56 | 138 | 420 | 180 | 200 | 170 | 4-18 | 180 | 8-18 | 16 |
125 | 5 | 64 | 164 | 460 | 180 | 200 | 200 | 8-18 | 210 | 8-18 | 26 |
150 | 6 | 70 | 175 | 555 | 270 | 280 | 225 | 8-18 | 240 | 8-22 | 28 |
200 | 8 | 71 | 208 | 605 | 270 | 280 | 280 | 8-18 | 295 | 8-22 | 44 |
250 | 10 | 76 | 243 | 680 | 270 | 280 | 335 | 12-18 | 350 | 12-22 | 68 |
300 | 12 | 83 | 283 | 800 | 380 | 420 | 395 | 12-22 | 400 | 12-22 | 85 |
350 | 14 | 92 | 310 | 835 | 380 | 420 | 445 | 12-22 | 460 | 16-22 | 121 |
400 | 16 | 102 | 340 | 915 | 450 | 470 | 495 | 16-22 | 515 | 16-22 | 140 |
450 | 18 | 114 | 380 | 960 | 480 | 490 | 550 | 16-22 | 565 | 20-26 | 190 |
500 | 20 | 127 | 410 | 1020 | 480 | 490 | 600 | 20-22 | 620 | 20-26 | 260 |
600 | 24 | 154 | 470 | 1225 | 480 | 490 | 705 | 20-26 | 725 | 20-30 | 380 |
700 | 28 | 165 | 550 | 1355 | 640 | 660 | 810 | 24-26 | 840 | 24-30 | 450 |
800 | 32 | 190 | 640 | 1470 | 640 | 660 | 920 | 24-30 | 950 | 24-33 | 650 |
900 | 36 | 203 | 710 | 1545 | 750 | 860 | 1020 | 24-30 | 1050 | 28-33 | 830 |
1000 | 40 | 216 | 770 | 1795 | 850 | 900 | 1120 | 28-30 | 1160 | 28-36 | 1050 |
1200 | 48 | 254 | 890 | 1965 | 850 | 900 | 1340 | 32-33 | 1380 | 32-39 | 1400 |
在线留言