手动蝶阀

凸耳蝶阀
产品简介
News Center
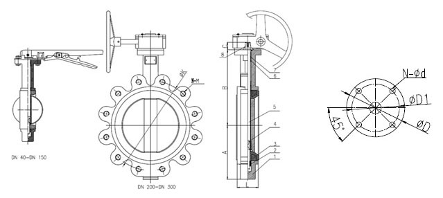
新闻中心凸耳蝶阀是用双头螺栓将阀门连接在两管道法兰之间,其结构简单、体积小、重量轻,只由少数几个零件组成。而且只需旋转90°即可快速启闭,操作简单,同时该阀门具有良好的流体控制特性。蝶阀处于完全开启位置时,蝶板厚度是介质流经阀体时唯一的阻力,因此通过该阀门所产生的压力降很小,故具有较好的流量控制特性。蝶阀有弹密封和金属密封两种密封型式。弹性密封阀门,密封圈可以镶嵌在阀体上或附在蝶板周边。
| 零件名称 | 材料 |
|---|---|
| 阀体 | 球墨铸铁、铸钢、合金钢、不锈钢 |
| 蝶板 | 铸钢、不锈钢及特殊材料 |
| 密封圈 | 各种橡胶、聚四氟 |
| 阀杆 | 2Cr13、不锈钢 |
| 填料 | O型圈、柔性石墨O |
| 设计标准 | API 609, MSS SP-67 |
|---|---|
| 结构长度 | API 609, MSS SP-67, DIN3202, BS EN558-1 |
| 法兰标准 | ANSI B16.1 class125, BS4504 PN10/PN16, |
| DIN2501 PN10/PN16 | |
| 检验试验 | API 598 |
| 驱动方式 | 蜗轮、手动、电动、气动 |

| SIZE | A | B | C | L | ANSI 150B | DIN PN 10 | DIN PN 16 | JIS 10K | ISO 5211 | Top Flange | |||||||
|---|---|---|---|---|---|---|---|---|---|---|---|---|---|---|---|---|---|
| mm | in | øK | N-M | øK | N-M | øK | N-M | øK | N-M | øD | øD1 | N-ød | |||||
| 40 | 1.5" | 70 | 164 | 32 | 33 | 98.5 | 4-1/2"-13UNC-2B | 110 | 4-M16 | 110 | 4-M16 | 105 | 4-M16 | 65 | 50 | 4-ø8 | F05 |
| 50 | 2" | 80 | 169 | 32 | 43 | 120.6 | 4-5/8"-11UNC-2B | 125 | 4-M16 | 125 | 4-M16 | 120 | 4-M16 | 65 | 50 | 4-ø8 | F05 |
| 65 | 2 1/2" | 89 | 176 | 32 | 46 | 139.7 | 4-5/8"-11UNC-2B | 145 | 4-M16 | 145 | 4-M16 | 140 | 4-M16 | 65 | 50 | 4-ø8 | F05 |
| 80 | 3" | 95 | 183 | 32 | 46 | 152.4 | 4-5/8"-11UNC-2B | 160 | 8-M16 | 160 | 8-M16 | 150 | 8-M16 | 65 | 50 | 4-ø8 | F05 |
| 100 | 4" | 114 | 201 | 32 | 52 | 190.5 | 8-5/8"-11UNC-2B | 180 | 8-M16 | 180 | 8-M16 | 175 | 8-M16 | 90 | 70 | 4-ø10 | F07 |
| 125 | 5" | 127 | 214 | 32 | 56 | 215.9 | 8-3/4"-10UNC-2B | 210 | 8-M16 | 210 | 8-M16 | 210 | 8-M20 | 90 | 70 | 4-ø10 | F07 |
| 150 | 6" | 139 | 229 | 32 | 56 | 241.3 | 8-3/4"-10UNC-2B | 240 | 8-M20 | 240 | 8-M20 | 240 | 8-M20 | 90 | 70 | 4-ø10 | F07 |
| 200 | 8" | 175 | 257 | 45 | 60 | 298.4 | 8-3/4"-10UNC-2B | 295 | 8-M20 | 295 | 12-M20 | 290 | 12-M20 | 125 | 102 | 4-ø12 | F10 |
| 250 | 10" | 203 | 280 | 45 | 68 | 361.9 | 12-7/8"-9UNC-2B | 350 | 12-M20 | 355 | 12-M24 | 355 | 12-M22 | 125 | 102 | 4-ø12 | F10 |
| 300 | 12" | 242 | 327 | 45 | 78 | 431.8 | 12-7/8"-9UNC-2B | 400 | 12-M20 | 410 | 12-M24 | 400 | 16-M22 | 125 | 102 | 4-ø12 | F10 |
在线留言