0510-83123233

手动蝶阀

美标凸耳蝶阀LT815W

产品简介

美标凸耳蝶阀LT815W 产品简述美标凸耳式蝶阀的主要结构特征为对夹式和法兰式三偏心结构,而蝶阀的主要结构特征为阀体周边带凸而且设计成带螺孔单法兰结构,美标凸耳

产品型号:LT815W
浏览次数:
详细介绍在线留言
  • 美标凸耳蝶阀LT815W 产品简述

美标凸耳式蝶阀的主要结构特征为对夹式和法兰式三偏心结构,而蝶阀的主要结构特征为阀体周边带凸而且设计成带螺孔单法兰结构,美标凸耳蝶阀广泛应用于石油、化工及工业环保水处理、高层建筑,给排水等管道上。其特点为:
由于采用的是三偏心结构,密闭性能可靠,确保开启时蝶板不接触密封座,消除了密封座不均匀负载,延长了使用寿命,确保可靠的密封性能,具有耐高温、耐磨损、耐腐蚀等优点。


  • 美标凸耳蝶阀LT815W 工作原理

美标凸耳式硬密封蝶阀是圆盘阀瓣,围绕阀轴旋转来达到开启与关闭的一种阀,在管道上主要起切断和节流用。启闭件是一个圆盘形的蝶板,在阀体内绕其自身的轴线旋转,从而达到启闭或调节的目的。蝶阀全开到全关通常是小于90°。


  • 美标凸耳蝶阀LT815W 技术参数

凸耳式硬密封蝶阀是圆盘阀瓣,围绕阀轴旋转来达到开启与关闭的一种阀,在管道上主要起切断和节流用。启闭件是一个圆盘形的蝶板,在阀体内绕其自身的轴线旋转,从而达到启闭或调节的目的。蝶阀全开到全关通常是小于90°。


  • 美标凸耳蝶阀LT815W 产品特点

1、设计合理,结构紧凑,装拆容易,便于维修。
2、采用偏心结构,减少密封圈的摩擦,延长阀门使用寿命。
3、完全密封,泄漏为零,可以用于高真空工况。
4、更换阀板密封圈、蝶板、转轴等材质,可适用多种介质和不同温度。


  • 美标凸耳蝶阀LT815W 主要零部件材料表

名称

材料

阀体

WCB、CF8、CF8M

阀板

WCB、CF8、CF8M

阀杆

304、316、ICr13

密封圈

316、304

填料

柔性石墨,氟塑料



  • 美标凸耳蝶阀LT815W 主要技术参数

公称通径

DN(in)

2"-36"

2"-36"

公称压力

PN(Mpa)

150Lb

300Lb

实验压力Ps(Mpa)

强度实验

3.0

7.5

密封试验

2.2

5.5

适用介质

水、蒸汽、油品、酸碱类、海水等



适用温度

-40~425℃

 

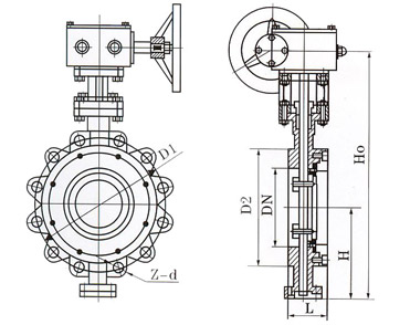
  • 美标凸耳蝶阀LT815W 外形尺寸图

 

美标凸耳蝶阀LT815W(图1)


  • 美标凸耳蝶阀D815W 外形尺寸表

公称通径DN

结构长度(标准值)

外形尺寸(参考值)

连接尺寸(标准值)

参考重量

L

L1

H

H0

D

D1

D2

M

Z.d

英寸

毫米

英寸

毫米

英寸

毫米

英寸

毫米

毫米

英寸

毫米

英寸

毫米

英寸

毫米

2"

50

1.69

43

4.25

108

4.33

110

13.58

345

6.00

152

4.75

120.5

3.62

92

M18

4-19

9

20

21/2″

65

1.69

46

4.40

112

4.64

118

14.25

362

7.00

178

5.49

139.5

4.13

105

M18

4-19

10

25

3″

80

1.94

48

4.50

114

4.92

125

14.96

380

8.50

190

6.00

152.5

5.00

127

M18

4-19

11

29

4″

100

2.19

54

5.00

127

5.70

145

16.34

415

9.00

229

7.50

190.5

6.19

157

M18

8-19

13

33

5″

125

2.50

55

5.50

140

6.50

165

17.91

455

10.00

254

8.50

216

7.32

186

M20

8-22

16

38

6″

150

2.75

57

5.50

140

6.89

175

21.45

545

11.00

279

9.50

241.5

8.50

216

M20

8-22

26

74

8″

200

2.81

64

5.90

150

8.26

210

24.21

645

13.50

343

11.75

298.5

10.62

270

M20

8-22

34

86

10″

250

3.00

71

6.30

160

9.84

250

27.36

695

16.00

406

14.25

362

12.75

324

M22

12-25

51

142

12″

300

3.18

81

7.00

178

11.24

285

32.78

830

19.00

483

17.00

432

15.00

381

M22

12-25

72

167

14″

350

3.63

92

7.50

190

12.60

320

35.43

900

21.00

533

18.75

476

16.25

413

M27

12-29

106

218

16″

400

4.00

102

8.50

216

13.98

355

38.58

980

23.50

597

21.25

540

18.50

470

M27

16-29

133

275

18″

450

4.50

114

8.74

222

14.96

380

40.55

1030

25.00

635

22.75

578

21.00

533

M30

16-32

176

315

20″

500

5.00

127

9.00

229

16.34

415

43.70

1110

27.50

699

25.00

635

23.00

584

M30

20-32

190

395

2″

600

6.06

154

10.50

267

18.70

475

51.37

1305

32.00

813

29.50

749.5

27.25

692

M33

20-35

394

580

30″

750

6.50

165

11.50

292

22.38

580

60.03

1525

38.75

985

36.00

914

33.75

857

M33

28-35

476

717

32″

800

7.50

190

12.50

318

24.80

630

62.40

1585

41.75

1060

38.50

978

36.00

914

M39

28-41

618

880

36″

900

8.00

200

13.00

330

26.77

680

69.48

1765

46.00

1168

42.75

1085

40.25

1022

M39

32-41

762

1042


在线留言

留言框

  • 产品名称:

  • 您的单位:

  • 您的姓名:

  • 联系电话:

  • 常用邮箱:

  • 省份:

  • 详细地址:

  • 留言内容:

  • 验证码:

全国服务热线:

0510-83123233

以品质赢得客户满意口碑
扫一扫
添加公司微信

Copyright © 半岛网页版-半岛(中国) 版权所有  

关注

联系

15370222112

联系
顶部