0510-83123233

手动蝶阀

卫生级蝶阀

产品简介

卫生级蝶阀 产品概述卫生级蝶阀钢件均由食品级不锈钢制作,密封材质为食品橡胶,卫生质量高,按照连接方式不同,可分为外螺纹、卡箍、对焊、三片式焊接等多种形式。卫生级

产品型号:
浏览次数:
详细介绍在线留言
  • 卫生级蝶阀 产品概述

卫生级蝶阀钢件均由食品级不锈钢制作,密封材质为食品橡胶,卫生质量高,按照连接方式不同,可分为外螺纹、卡箍、对焊、三片式焊接等多种形式。

卫生级蝶阀内外用高档抛光设备处理,光滑表面确保清洁,无介质积存区域,不会产生潜在的污染,广泛应用于如食品、制药、化妆品、洁净蒸汽、酒类、饮料、生化工业过程控制场合。
卫生级蝶阀常用于对卫生等级要求很高的场所,可以满足食品、生物制药领域各种介质的特殊要求,其光滑、无缝、自动排空手工艺流体通道,还非常适用于蒸汽及其它就地清洗的需要。

  • 卫生级蝶阀 产品特点

1、采用高精度数控车床精车阀体,保证了蝶阀可靠的互换性,免去了因更换橡胶而不能保证其使用性能的麻烦。

2、阀杆镶装尼龙轴套,减小了磨擦力,因而开启灵活轻松。

3、钢件均采用不锈钢制作,橡胶采用食品橡胶,卫生质量高。

4、阀体通径与管道内径等径,开启时窄而呈流线型的阀板与流体方向*,流量大而阻力小,无物料积聚。

5、手柄采用扳动式和拉动式,可承受较大操作力矩,不易扳断。

6、开闭范围为0~90°,可固定于每隔15°的位置上,具有可调性,且开闭迅速,操作方便。

7、阀体均采用可拆连接,结构简单,维修方便。

8、造型轻巧美观,表面光亮而不粘尘,无毛刺扎手。

9、经过严密的强度和密封试验,保证质量。

10、抽样进行不低于 30000 次的疲劳寿命试验,保证了其使用寿命。


  • 卫生级蝶阀 产品参数

公称通径DN50~DN108(MM)
公称压力PN0.6、1.0、1.6MPa
连接方式外螺纹、三片式焊接、卡箍、对焊
适用温度-20℃~180℃
动作范围0~90°
密封材质丁晴橡胶(X)、氟橡胶(FKM)、三元乙丙橡胶(E)
阀体材质不锈钢


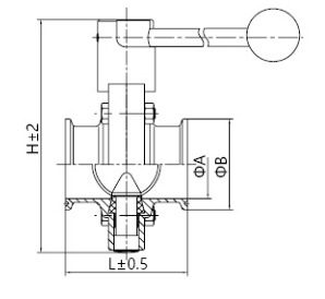
  • 卫生级蝶阀 卡箍规格尺寸  

卫生级蝶阀(图1)

规格(ISO)

A

B

D

L

H

重量(Kg)

20

66

78

50.5

130

82

1.35

25

66

78

50.5

130

82

1.35

32

66

78

50.5

130

82

1.2

38

70

86

50.5

130

86

1.3

51

76

102

64

140

96

1.85

63

98

115

77.5

150

103

2.25

76

98

128

91

150

110

2.6

89

102

139

106

170

116

3.0

102

106

154

119

170

122

3.6

108

106

159

119

170

126

3.6

133

140

185

145

190

138

6.5

159

260

215

172

190

153

11


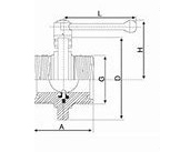
  • 卫生级蝶阀 焊接规格尺寸

卫生级蝶阀(图2)

规格(ISO)

A

B

D

L

H

重量(Kg)

20

50

78

19.05

130

82

1.2

25

50

78

25.4

130

82

1.2

32

50

78

31.8

130

82

1.05

38

50

86

38.1

130

86

1.2

51

52

102

50.8

140

96

1.7

63

56

115

63.5

150

103

2.1

76

56

128

76.1

150

110

2.4

89

60

139

88.9

170

116

2.7

102

64

154

101.6

170

122

3.05

108

64

159

108

170

126

3.15

133

80

138

133

190

138

5.2

159

90

215

159

190

153

9.2


  • 卫生级蝶阀 外螺纹规格尺寸

    卫生级蝶阀(图3)

规格(ISO)

A

B

D

L

H

重量(Kg)

25

66

78

40×1/6

130

82

1.3

32

66

78

48×1/6

130

82

1.3

38

70

86

60×1/6

130

86

1.7

51

76

102

70×1/6

140

96

2.2

63

80

115

85×1/6

150

103

2.9

76

84

128

98×1/6

150

110

3.4

89

90

139

110×1/6

170

116

3.9

102

104

159

132×1/6

170

126

5.5



在线留言

留言框

  • 产品名称:

  • 您的单位:

  • 您的姓名:

  • 联系电话:

  • 常用邮箱:

  • 省份:

  • 详细地址:

  • 留言内容:

  • 验证码:

全国服务热线:

0510-83123233

以品质赢得客户满意口碑
扫一扫
添加公司微信

Copyright © 半岛网页版-半岛(中国) 版权所有  

关注

联系

15370222112

联系
顶部