气动球阀

Q641F气动法兰球阀
产品简介
News Center
新闻中心产品信号:Q641F
公称通径:DN15-DN500
公称压力:1.6MPa-4.0MPa
适用温度:-20℃-180℃
适用介质:水、油、气等
阀体材质:碳钢、铸钢、不锈钢
设计依据 | 国标系列 | 美标系列 | |
设计标准 | GB/T12237 | AP16D | ANSI B16.34 |
法兰连接结构长度 | GB/T12221 | AP16D | ANSI B16.10 |
结构长度(焊接) | GB/T15188.1 | AP16D | ANSI B16.10 |
连接法兰 | GB/T9113 | ANSI B16.5、B16.47 | |
对焊端 | GB/T12224 | ANSI B16.25 | |
试验和检验 | GB/T9092 | AP16D | AP1598 |
零件名称 | 材质 | ||
C | P | R | |
阀体 | WCB | ZG1Cr18Ni9Ti | ZG1Cr18Ni12M02Ti |
螺母 | 35 | 1Cr18Ni9Ti | 1Cr18Ni9Ti |
垫片 | PTFE | PTFE | PTFE |
螺柱 | 35 | 1Cr18Ni9Ti | 1Cr18Ni9Ti |
阀体 | WCB | ZG1Cr18Ni9Ti | ZG1Cr18Ni12Mo2Ti |
阀座 | PTFE | PTFE | PTFE |
球体 | 1Cr18Ni9Ti | 1Cr18Ni9Ti | 1Cr18Ni12Mo2Ti |
阀杆 | 1Cr13 | 1Cr18Ni9Ti | 1Cr18Ni12Mo2Ti |
垫片 | PTFE | PTFE | PTFE |
填料 | PTFE | PTFE | PTFE |
衬套 | PTFE | PTFE | PTFE |
压盖 | WCB | ZG1Cr18Ni9Ti | ZG1Cr18Ni12Mo2Ti |
螺栓 | 35 | 1Cr18Ni9Ti | 1Cr18Ni9Ti |
螺栓 | 35 | 1Cr18Ni9Ti | 1Cr18Ni9Ti |
连接支架 | 1Cr18Ni9Ti | 1Cr18Ni9Ti | 1Cr18Ni9Ti |
螺栓 | 35 | 1Cr18Ni9Ti | 1Cr18Ni9Ti |
连接套 | 35 | 1Cr18Ni9Ti | 1Cr18Ni9Ti |
气动装置 | 单作用气动执行器,双作用气动执行器 | ||
位置指示器 | 塑料 | 塑料 | 塑料 |
公称通径DN(mm) | DN15-300 | |||||
公称压力 | PN(MPa) | 1.0 | 1.6 | 2.5 | 4.0 | 6.4 |
试验压力 | 强度试验 | 1.5 | 2.4 | 3.75 | 6.0 | 9.60 |
密封试验 | 1.1 | 1.76 | 2.75 | 4.4 | 7.04 | |
低压气密试验 | 0.5~0.7 | |||||
适用介质 | 水、油、蒸气、硝酸类(温度≤200℃)、醋酸类(温度≤200℃) | |||||
执行器型号 | GT、SR、ST、AT、AW系列单双作用气动执行器 |
供气压力 | 0.4~0.7MPa |
气源接口 | G1/4"、G1/8"、G3/8"、G1/2" |
环境温度 | -30~+70℃ |
作用形式 | 单作用执行机构:气关式(B)--失气时阀位开(FO);气开式(K)--失气时阀位关(FC) |
可配附件 | 定位器、电磁阀、空气过滤减压器、保位阀、行程开关、阀位传送器、手轮机构等 |

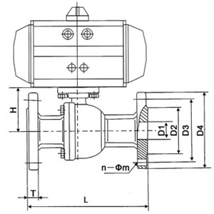
公称通径 DN | 外形尺寸 | 连接法兰尺寸 | ||||||||
L | L1 | 12 | H | D | D1 | D2 | C | f | n-φd | |
15 | 130 | 140/178 | 62/75 | 185/191 | 95 | 65 | 46 | 14 | 2 | 4-φ14 |
20 | 130 | 140/178 | 62/75 | 191/197 | 105 | 75 | 56 | 16 | 2 | 4-φ14 |
25 | 140 | 140/214 | 62/91 | 193/227 | 115 | 85 | 65 | 16 | 2 | 4-φ14 |
32 | 165 | 164/214 | 75/91 | 212/240 | 140 | 100 | 76 | 18 | 3 | 4-φ18 |
40 | 165 | 164/246 | 75/101 | 217/255 | 150 | 110 | 84 | 18 | 3 | 4-φ18 |
50 | 203 | 190/295 | 91/112 | 260/286 | 165 | 125 | 99 | 20 | 3 | 4-φ18 |
65 | 222 | 210/295 | 101/112 | 293/309 | 185 | 145 | 118 | 20 | 3 | 4-φ18 |
80 | 241 | 247/395 | 112/139 | 323/349 | 200 | 160 | 132 | 20 | 3 | 8-φ18 |
100 | 305 | 276/478 | 127/176 | 382/438 | 220 | 180 | 156 | 22 | 3 | 8-φ18 |
125 | 356 | 348/562 | 159/206 | 468/534 | 250 | 210 | 184 | 22 | 3 | 8-φ18 |
150 | 394 | 378/724 | 176/228 | 510/582 | 285 | 240 | 211 | 24 | 3 | 8-φ22 |
200 | 457 | 524/928 | 228/275 | 655/702 | 340 | 295 | 266 | 24 | 3 | 12-φ22 |
公称通径DN | 外形尺寸 | 连接法兰寸 | ||||||||
L | L1 | L2 | H | D | D1 | D2 | C | f | n-φd | |
15 | 140 | 1401/178 | 62/75 | 185/191 | 95 | 65 | 46 | 14 | 2 | 4-φ14 |
20 | 152 | 1401/178 | 62/75 | 191/197 | 105 | 75 | 56 | 16 | 2 | 4-φ14 |
25 | 165 | 164/214 | 75/91 | 199/227 | 115 | 85 | 65 | 16 | 3 | 4-φ14 |
32 | 178 | 164/246 | 751/101 | 212/250 | 140 | 100 | 76 | 18 | 3 | 4-φ18 |
40 | 190 | 190/246 | 911/101 | 245/255 | 150 | 110 | 84 | 18 | 3 | 4-φ18 |
50 | 216 | 210/295 | 1011/112 | 270/286 | 165 | 125 | 99 | 20 | 3 | 4-φ18 |
65 | 241 | 247/340 | 1121/112 | 309/330 | 185 | 145 | 118 | 22 | 3 | 8-φ18 |
80 | 283 | 276/395 | 127/139 | 344/349 | 200 | 160 | 132 | 24 | 3 | 8-φ18 |
100 | 305 | 348/478 | 1591/176 | 421/438 | 235 | 190 | 156 | 24 | 3 | 8-φ22 |
125 | 381 | 378/562 | 176/206 | 485/534 | 270 | 220 | 184 | 26 | 3 | 8-φ26 |
150 | 403 | 432/724 | 206/228 | 559/582 | 300 | 250 | 211 | 28 | 3 | 8-φ26 |
200 | 502 | 524/928 | 228/275 | 655/702 | 360 | 310 | 274 | 30 | 3 | 12-φ26 |
在线留言