气动球阀

Q671F气动薄型球阀
产品简介
News Center
新闻中心产品型号:Q671F
产品口径:DN15-100mm
产品压力:1.6-6.4MPa
产品材质:铸钢、不锈钢
公称通径 | DN10~150mm | |
公称压力 | PN1.6 2.5 4.0 MPa (高压可定制) | |
泄漏量 | 软密封:不泄漏 | 硬密封:≤额定流量的10-5 |
执行机构 | 可另配PSQ、HQ、UNIC、361RS等系列电子式电动执行机构 | |
流量特性 | 快开特性 | |
可调范围 | DN10-80 | DN100-150 |
250:1 | 350:1 | |
阀体形式 | 整体式锻造、整体式铸造 | |
连接形式 | 超薄法兰式、对夹式 | |
阀芯形式 | "O"型球形阀芯 | |
密封填料 | V型聚四氟乙烯填料、柔性石墨填料等 | |
适用温度 | 密封面 | |
PTFE≤180℃、PPL≤300℃、硬密封≤450℃ | ||
配置执行器型号 | GT、SR、ST、AT、AW系列单双作用气动执行器 | |
控制方式 | 开关两位控制、4-20mA模拟量控制 | |
零件名称 | 材料 | |||
阀体 | WCB | 304(CF8) | 316(CF8M) | 316L(CF3M) |
球体 | 2Cr13+氮化处理 | 304 | 316 | 316L |
阀杆 | 2Cr13 | 304 | 316 | 316L |
阀座密封圈 | PTFE(聚四氟乙烯)、PPL(对位聚苯)、金属密封(硬质合金) | |||
填料 | V型PTFE四氟填料、柔性石墨 | |||
公称通径DN(mm) | DN15-300 | ||||
公称压力 | PN(MPa) | 1.0 | 1.6 | 2.5 | 4.0 |
试验压力 | 强度试验 | 1.5 | 2.4 | 3.75 | 6.0 |
密封试验 | 1.1 | 1.76 | 2.75 | 4.4 | |
低压气密试验0.5~0.7 | |||||
适用介质 | 水、油、蒸气、硝酸类(温度≤200℃)、醋酸类(温度≤200℃) | ||||

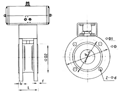
公称通径 DN | 外形尺寸 | 连接法兰尺寸 | |||||||||
d | L | L1 | L2 | ~H | D | D1 | D2 | B | f | N-Md | |
15 | 15 | 32 | 141 | 71 | 177 | 95 | 65 | 46 | 14 | 2 | 4-M12 |
20 | 20 | 38.5 | 141 | 71 | 182 | 105 | 75 | 56 | 14 | 2 | 4-M12 |
25 | 25 | 45 | 141 | 71 | 187 | 115 | 85 | 65 | 16 | 2 | 4-M12 |
32 | 29 | 55 | 159 | 83 | 223 | 140 | 100 | 76 | 16 | 3 | 4-M16 |
40 | 38 | 62 | 211 | 95 | 231 | 150 | 110 | 84 | 18 | 3 | 4-M16 |
50 | 46 | 72 | 248 | 107 | 258 | 165 | 125 | 99 | 20 | 3 | 4-M16 |
65 | 62 | 95 | 248 | 107 | 273 | 185 | 145 | 118 | 22 | 3 | 4-M16 |
80 | 76 | 120 | 269 | 123 | 303 | 200 | 160 | 132 | 24 | 3 | 8-M16 |
100 | 92 | 145 | 345 | 152 | 333 | 220 | 180 | 156 | 24 | 3 | 8-M16 |
125 | 110 | 200 | 409 | 172 | 380 | 250 | 210 | 184 | 26 | 3 | 8-M16 |
150 | 145 | 225 | 438 | 187 | 432 | 285 | 240 | 211 | 26 | 3 | 8-M20 |
在线留言