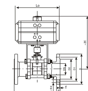
气动球阀

Q641F气动三片式法兰球阀
产品简介
News Center
新闻中心产品型号:Q641F
产品口径:DN15-100mm
产品压力:1.6-6.4MPa
产品材质:铸钢、不锈钢
公称压力 | 2.5mpa | 4.0mpa | 6.4mpa |
壳体试验压力 | 3.75 | 6.0 | 9.6 |
密封试验压力 | 2.75 | 4.4 | 7.04 |
气密性试验压力 | 0.6 | 0.6 | 0.6 |
适用介质 | SS201 | SS304 | SS316 |
水、油品、气等介质 | 硝酸类腐蚀性介质 | 醋酸类腐蚀性介质 | |
适用温度 | -40℃——+150℃ | ||
产品标准 | GB/T12237-2007 | ||
检验标准 | GB/T13927-1992 JB/T9092-1999 | ||
零件名称 | 材质 | |
不锈钢 | 碳钢 | |
螺栓 | 不锈钢304 | 碳钢 |
弹簧垫圈 | 不锈钢304 | 不锈钢304 |
螺母 | 不锈钢304 | 碳钢 |
阀盖 | 不锈钢SS316 | 碳钢WCB |
阀体 | 不锈钢SS316 | 碳钢WCB |
球 | 不锈钢SS304 | 不锈钢CF8 |
密封圈 | 聚四氟乙烯PTFE | 聚四氟乙烯PTFE |
阀杆 | 不锈钢SS316 | 不锈钢SS304 |
填料 | 聚四氟乙烯PTFE | 聚四氟乙烯PTFE |
阀杆螺母 | 不锈钢SS316 | 不锈钢SS304 |
弹簧垫圈 | 不锈钢SS304 | 不锈钢SS304 |
螺母 | 不锈钢SS304 | 不锈钢SS304 |
手柄 | 不锈钢SS304 | 不锈钢SS304 |

通径DN | L | A | H | K | N-Φd |
15 | 130 | 160 | 290 | 65 | 4-12 |
20 | 150 | 160 | 310 | 75 | 4-12 |
25 | 160 | 190 | 350 | 85 | 4-12 |
32 | 180 | 190 | 370 | 100 | 4-16 |
40 | 200 | 206 | 406 | 110 | 4-16 |
50 | 230 | 216 | 446 | 125 | 4-16 |
65 | 290 | 260 | 550 | 145 | 4-16 |
80 | 310 | 286 | 596 | 160 | 8-16 |
100 | 350 | 340 | 690 | 180 | 8-16 |
在线留言