气动球阀

气动卫生级球阀
产品简介
News Center
新闻中心阀门型号:Q681F
通径规格:DN15~DN100
结构形式:浮动直通式
阀体材料:不锈钢304、不锈钢316、不锈钢316L
公称压力:PN10
适用温度:≤180℃
应用范围:食品、制药、化妆品、洁净蒸汽、酒类、饮料、生化工业
设计制造 | GBT/12238 |
结构长度 | Gb12221 |
压力温度 | GB/T13927 |
试验检验 | GB13927 |
AT、GT、ST气动执行机构技术参数 | 阀 体 参 数 | ||
类 型 | 双作用活塞式、弹簧复位式 | 公称通径 | 15~102mm |
气源压力 | 双作用:2-8bar/单作用:4-8bar | 公称压力 | PN1.0MPa |
输出力矩 | 双作用:4N·M~10560N·M | 阀轴材质 | 不锈钢 |
单作用:7N·M~2668N·M | 阀体材质 | 304/316/316L不锈钢 | |
工作温度 | 常温型:-20℃~80℃(丁腈橡胶O型圈) | 球体材质 | 304/316/316L不锈钢 |
高温型:-20℃~160℃(氟橡胶O型圈) | 阀座密封 | PTFE | |
动作范围 | 0~90°±5° | 温 度 | PTFE≤180℃ |
接口螺纹 | GTD40~GTD83/ATD50~ATD88 G1/8″ | 连接方式 | 快装式、焊接式、螺纹式 |
GTD110~GTD350/ATD100~200 G1/4″ | 适用介质 | 啤酒、葡萄酒、生物工程、食品、饮等 | |
阀位信号 | 定位器:4~20mA/回信器:全开全关信号 | 特 点 | 卫生,密封好、使用时间长 |

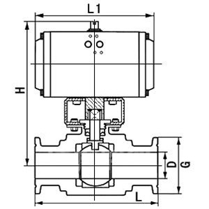
通径Ø | G | L1 | L | D | H |
15 | 34 | 130 | 100 | 12.7 | 152 |
20 | 50.5 | 130 | 100 | 17.2 | 156 |
25 | 50.5 | 140 | 120 | 25 | 180 |
32 | 50.5 | 140 | 130 | 31.8 | 208 |
38 | 50.5 | 140 | 150 | 35.6 | 218 |
51 | 64 | 170 | 200 | 48.6 | 226 |
63 | 77.5 | 186 | 210 | 60.3 | 240 |
76 | 91 | 186 | 220 | 72.9 | 286 |
89 | 106 | 225 | 260 | 88.9 | 298 |
102 | 119 | 254 | 320 | 101.6 | 336 |
在线留言