气动球阀

Q615S气动塑料三通球阀
产品简介
News Center
新闻中心产品型号:Q615S、Q614S
阀体材质: PVC、UPVC、PPH、CPVC、PVDF、PP等
阀芯材质:PVC、UPVC、PPH、CPVC、PVDF、PP等
阀座材质: PTFE
连接方式:双由令、承插焊、法兰等
法兰标准: GB、ANSI、DIN、JIS
压力等级: PN10、PN16
结构形式:三通L型、三通T型
气动执行器: AT执行器, GT执行器
公称通径DN(mm) | 15 | 20 | 25 | 32 | 40 | 50 | 65 | 80 | 100 |
公称压力(MPa) | PN1.0-1.6MPa | ||||||||
连接方式 | 法兰、螺纹、由令 | ||||||||
阀体结构 | 一体、三通L、三通T | ||||||||
阀体材质 | UPVC、CPVC、PP | ||||||||
阀芯材质 | UPVC、CPVC、PP | ||||||||
密封材质 | PTFE | ||||||||
适用温度 | 0~+60℃ | ||||||||
适用介质 | PVC兼容的食品工业化学溶剂 | ||||||||
配置执行机构 | GT、AT、ST系列单双作用气动执行器 | ||||||||
控制方式 | 开关两位控制、4~20mA模拟量信号控制 | ||||||||


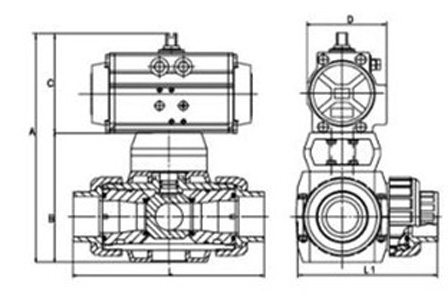
SIZE | A | B | C | D | L | L1 |
10 | 195 | 105 | 90 | 140 | 138 | 122 |
15 | 195 | 105 | 90 | 140 | 138.5 | 122.5 |
20 | 212 | 122 | 90 | 140 | 166 | 146 |
25 | 223 | 122 | 101 | 162 | 172 | 146 |
32 | 261 | 160 | 101 | 162 | 224 | 196.5 |
40 | 233 | 160 | 73 | 207 | 234.5 | 203 |
50 | 251 | 178 | 73 | 207 | 269.5 | 231.5 |
在线留言