手动球阀

Q41F德标法兰球阀
产品简介
News Center
新闻中心产品型号:Q41F
公称通径:DN15~DN250
公称压力:PN10-PN40
适用温度:-29~180ºC~550ºC
阀体材质:铸铁、铸钢、不锈钢
适用介质:水、油、气体、液体
结构形式:球形
连接方式:法兰
驱动方式:手动、电动、气动
制造标准:国标GB、德国DIN、美国API、ANSI
Q41F德标法兰球阀用于截断或接通管路中的介质,选用不同的材质,可分别适用于水、蒸汽、油品、液化气、天然气、煤气、硝酸、醋酸、氧化性介质、尿素等多种介质。德标法兰球阀具有很小的转动力矩就能关闭严密。完全平等的阀体内腔为介质提供了阻力很小、直通的流道。德标法兰球阀的主要特点是本身结构紧凑,易于操作和维修,适用于水、溶剂、酸和天然气等一般工作介质,而且还适用于工作条件恶劣的介质,如氧气过氧化氢、甲烷和乙烯等。
设计标准Design: DIN 3357 EN 12516-1
壁厚标准Wall Thickness: ASME B16.34 EN 12516-1
防火标准Fire Safe: API 307 ISO 10497
结构长度Face to Face: DIN 3202
法兰标准End Flange: DIN EN 1092-1
检测标准/Inspection & Testing: DIN 3230 EN 12266
阀杆带有防静电设置 Ante-Static Devices For Ball-Stem-Body
阀杆带有防脱出装置设计 Blow-out Proof stem
钢球球槽上有泄压孔设计 Pressure Balance Hole in Ball Slot
采用Iso 5211 支架安装执行器平台设计
Built in ISO 5211 Bracket Mount For Easy Automation
| 名称 | 材质 | ||
| ANSI/JIS/DIN | ANSI/JIS/DIN | ANSI/JIS/DIN | |
| 阀体 | A351-CF8M/SCS14A/1.4408 | A351-CF8/SCS13A/1.4308 | A216-WCB/SCPH2/1.0619 |
| 阀盖 | A351-CF8M/SCS14A/1.4408 | A351-CF8/SCS13A/1.4308 | A216-WCB/SCPH2/1.0619 |
| 球 | SUS316 | SUS304 | |
| 六角螺母 | A194-8 | ||
| 弹性垫片 | SUS304 | ||
| 密封圈 | PTFE/VITON | ||
| 阀座 | PTFE/RPTFE/PPL | ||
| 阀杆 | SUS316 | SUS304 | |
| O型圈 | FKM(VITON) | ||
| 止推垫 | PTFE/RPTFE | ||
| 填料 | PTFE/GRAFOIL | ||
| 蝶簧 | SUS304 | ||
| 阀杆螺母 | A194-8 | ||
| 填料压盖 | SUS304 | ||
| 手柄 | SUS201 | ||
| 定位杆 | SUS304 | ||
| 内六角圆柱头螺钉 | SUS304 | ||
| 六角螺母 | A194-8 | ||
| 双头螺栓 | A193-B8 | ||

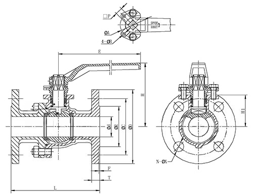
| Size | PN | d | L | R | C | D | H | H1 | E | F | T | □P | ø A | ØB | N | ØX | ISO 5211 |
| DN15 | 10-40 | 15 | 115 | 45 | 65 | 95 | 78 | 34 | 150 | 2 | 14 | 11 | 42 | 4 | 4 | 14 | F04 |
| DN20 | 10-40 | 20 | 120 | 58 | 75 | 105 | 80 | 35 | 150 | 2 | 16 | 11 | 42 | 4 | 4 | 14 | F04 |
| DN25 | 10-40 | 25 | 125 | 68 | 85 | 115 | 88 | 45 | 150 | 2 | 16 | 11 | 42 | 4 | 4 | 14 | F04 |
| DN32 | 10-40 | 32 | 130 | 78 | 100 | 140 | 100 | 50 | 170 | 2 | 16 | 14 | 50 | 5 | 4 | 18 | F05 |
| DN40 | 10-40 | 38 | 140 | 88 | 110 | 150 | 122 | 60 | 230 | 3 | 16 | 17 | 70 | 6 | 4 | 18 | F07 |
| DN50 | 10-40 | 50 | 150 | 102 | 125 | 165 | 130 | 68 | 230 | 3 | 18 | 17 | 70 | 6 | 4 | 18 | F07 |
| DN65 | 10-16 | 65 | 170 | 122 | 145 | 185 | 148 | 86 | 230 | 3 | 18 | 17 | 70 | 6 | 4 | 18 | F07 |
| DN80 | 10-16 | 78 | 180 | 138 | 160 | 200 | 167 | 96 | 305 | 3 | 20 | 22 | 102 | 8 | 8 | 18 | F10 |
| DN100 | 10-16 | 100 | 190 | 158 | 180 | 220 | 188 | 117 | 305 | 3 | 20 | 22 | 102 | 8 | 8 | 18 | F10 |
| DN125 | 10-16 | 125 | 325 | 188 | 210 | 250 | 246 | 141 | 500 | 3 | 22 | 22 | 125 | 10 | 8 | 18 | F12 |
| DN150 | 10-16 | 150 | 350 | 212 | 240 | 285 | 288 | 172 | 650 | 3 | 22 | 27 | 125 | 10 | 8 | 22 | F12 |
| DN200 | 10-16 | 200 | 400 | 268 | 295 | 340 | 329 | 213 | 850 | 3 | 24 | 27 | 125 | 10 | 12 | 22 | F12 |
| DN250 | 10-16 | 250 | 450 | 320 | 355 | 405 | 396 | 255 | 1400 | 3 | 26 | 36 | 140 | 14 | 12 | 26 | F14 |
在线留言