手动球阀

Q46F四通球阀
产品简介
News Center
新闻中心不锈钢四通换向球阀为X形垂直通道的球阀,它的特点是球体的两条通道为X形布置,四个通道口径均布于球体赤道圆周截面上,当球体沿顺时针旋转90时,能使相邻的两个通道实现两两互通。
“LL'’型四通球阀只需操作板手或执行器将球体转动90’,可同时对两种介质的流向进行切换,即方便而迅速,实现一阀多用的效果。

零件名称 | 材 质 | |
GB | ASTM | |
阀体、阀盖 | WCB | A216-WCB |
密封圈 | PTFE、对位聚苯 | PTFE、对位聚苯 |
球体 | 1Cr18Ni9Ti | SS 304 |
阀座、阀杆 | 2Cr13 | A246-416 |
双头螺柱 | 35CrMoA | A193-B7 |
公称压力 PN(MPa) | 试验压力 | |||
壳体 | 高压液密封 | 低压气密封 | ||
1.6 | 2.4 | 1.76 | 0.6 | |
2.5 | 3.75 | 2.75 | ||
4.0 | 6.0 | 4.4 | ||
CLASS150 | 3.O | 2.2 | ||
适用工况 | 适用介质 | 水、油品、气等非腐蚀介质和酸碱腐蚀介质 | ||
适用温度 | -28-350℃ | |||
| 应用规范 | 连接法 | JB79-59、GB9113、HG20592-97、ANSI B16.5 | ||
检验试验 | GB9/T 9092-99、API 598 | |||

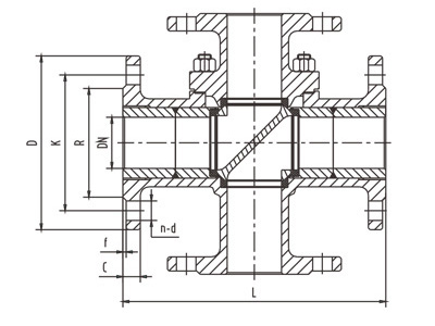
| 公称压力 PN | 公称通径DN | 尺 寸(mm) | ||||||||
| L | L0 | D | K | d | b | z-do | Hw | Hd | ||
1.6MPa | 50 | 260 | 130 | 165 | 125 | 100 | 16 | 4-ф18 | 205 | 265 |
| 65 | 320 | 160 | 185 | 145 | 120 | 18 | 4-ф18 | 245 | 295 | |
| 80 | 320 | 160 | 200 | 160 | 135 | 20 | 8-ф18 | 305 | 345 | |
| 100 | 370 | 185 | 220 | 180 | 155 | 20 | 8-ф18 | 340 | 420 | |
| 125 | 510 | 255 | 250 | 210 | 185 | 22 | 8-ф18 | 425 | 465 | |
| 150 | 510 | 255 | 285 | 240 | 2"0 | 24 | 8-ф23 | 450 | 505 | |
| 200 | 580 | 290 | 340 | 295 | 265 | 26 | 12-ф23 | 480 | 525 | |
| 250 | 670 | 335 | 405 | 355 | 320 | 30 | 12-ф25 | 530 | 565 | |
| 300 | 760 | 380 | 460 | 410 | 375 | 30 | 12-ф25 | 585 | 630 | |
| 350 | 850 | 425 | 520 | 470 | 435 | 34 | 16-ф25 | 625 | 675 | |
| 400 | 980 | 490 | 580 | 525 | 485 | 36 | 16-ф30 | 670 | 710 | |
| 450 | 1080 | 540 | 640 | 585 | 545 | 40 | 20-ф30 | 705 | 770 | |
| 500 | 1220 | 610 | 715 | 650 | 608 | 44 | 20-ф34 | 765 | 825 | |
| 600 | 1360 | 680 | 840 | 770 | 718 | 48 | 20-ф41 | 840 | 945 | |
| 700 | 1750 | 875 | 910 | 840 | 788 | 50 | 24-ф41 | 1050 | 1110 | |
| 800 | 1850 | 925 | 1025 | 950 | 898 | 52 | 24-ф41 | 1125 | 1220 | |
| 900 | 2050 | 1025 | 1125 | 1050 | 998 | 54 | 28-ф41 | 1260 | 1315 | |
| 1000 | 2150 | 1075 | 1255 | 1170 | 1110 | 56 | 28-ф48 | 1325 | 1385 | |
| 1200 | 2450 | 1225 | 1485 | 1390 | 1325 | 58 | 32-ф54 | 1395 | 1450 | |
在线留言